Previous Next

COMPONENT LOCATIONS

Fig. 1: Component locations for the carbureted 2.2L engine

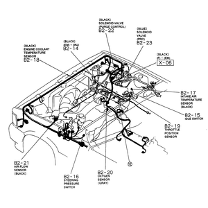
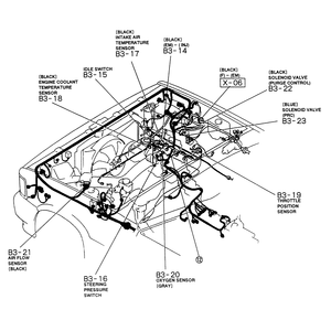
Fig. 2: Component locations for the fuel injected 2.2L engine (1 of 2)

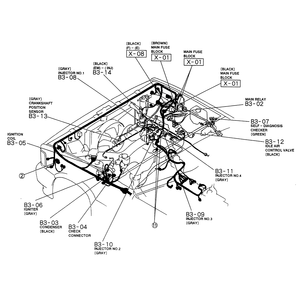
Fig. 3: Component locations for the fuel injected 2.2L engine (2 of 2)

Fig. 4: Pickup component locations for the 2.6L engine (1 of 2)

Fig. 5: Pickup component locations for the 2.6L engine (2 of 2)

Fig. 6: MPV component locations for the 2.6L engine (1 of 2)

Fig. 7: MPV component locations for the 2.6L engine (2 of 2)

Fig. 8: Component locations for the 3.0L engine (1 of 2)

Fig. 9: Component locations for the 3.0L engine (2 of 2)

Fig. 10: Component locations for the 4.0L engine (1 of 2)

Fig. 11: Component locations for the 4.0L engine (2 of 2)

Fig. 12: Component locations for the 4.0L engine (1 of 2)(California)

Fig. 13: Component locations for the 4.0L engine (2 of 2)(California)

Previous Next