Previous Next

COMPONENT TESTING

There are several things to check if a malfunction of the evaporative emission control system is suspected.

Leaks may be traced by using an infrared hydrocarbon tester. Run the test probe along the lines an connections. The meter will indicate the presence of a leak by a high hydrocarbon (HC) reading. This method is much more accurate than a visual inspection which would indicate only the presence of a leak large enough to pass liquid.

Leaks may be caused by any of the following, so always check these areas when looking for them:

NOTE: If it becomes necessary to replace any of the lines used in the evaporative emission control system, use only those hoses which are fuel resistant or are marked EVAP.

If the fuel tank has collapsed, it may be the fault of clogged or pinched vent lines, a defective vapor separator, or a plugged or incorrect check valve.

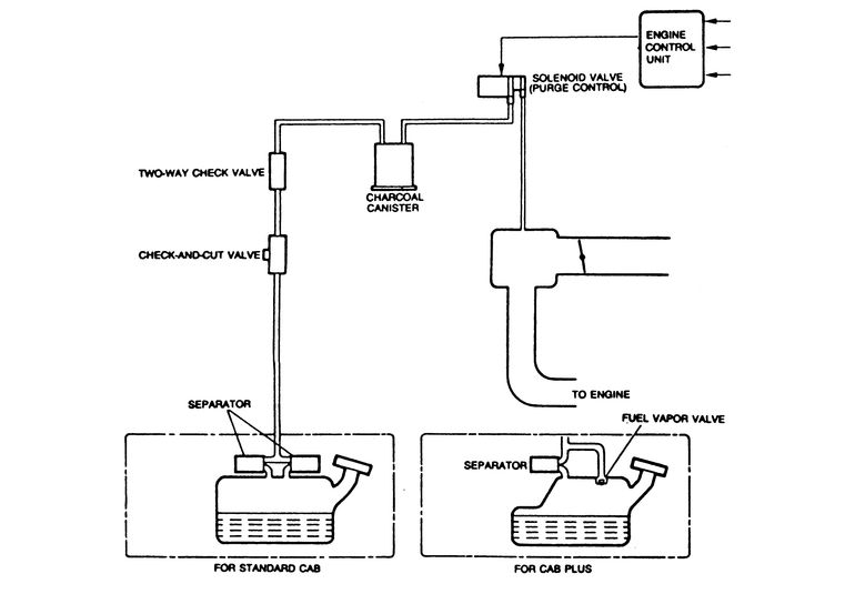
Carbureted Engines

Fig. 1: Evaporative emission control system

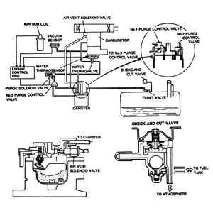
The EEC system consists of a canister No. 3 purge control valve, water thermo valve, check-and-cut valve, purge solenoid valve and an air vent solenoid valve.

The water thermo valve opens the vacuum passage to the No. 1 and No. 3 purge control valves. The canister incorporates the No. 2 purge control valve (2 way check valve), and the No. 1 purge control valve, which opens the fuel vapor passage between the canister and the intake manifold. The No. 3 purge control valve opens the fuel vapor passage between the canister and the intake manifold when the purge solenoid valve is ON.

Port vacuum is applied to the No. 1 purge control valve while the engine is running and to the No. 3 purge control valve during running or heavy load driving.

The check-and-cut valve vents the vapors to the atmosphere if the evaporative hoses become clogged. It also prevents fuel leakage if the vehicle overturns.

  1. Check the vacuum hose routing. Repair or replace if necessary.
  2. Start the engine and allow it to reach normal operating temperature.
  3. Disconnect the vacuum hose from the No. 1 purge control valve. Connect a suitable vacuum gauge to the hose.
  4. Increase the engine speed to 2500 rpm and check that the vacuum gauge reads more than 5.9 in. Hg. If the required vacuum is not reached, check the thermo valve. Reconnect the vacuum hose to the control valve.
  5. Disconnect the vacuum line from the canister. Connect a vacuum gauge to the hose. Check that vacuum is present when engine speed exceeds 1400 rpm.
  6. If no vacuum exists, check the purge solenoid valve, No. 3 purge control valve and the 1V terminal on the emission control unit. Reconnect the vacuum hose to the canister.
  7. Disconnect the evaporation hose from the evaporation pipe, then connect a suitable hand operated vacuum pump to the evaporation pipe. Operate the hand pump and check that no vacuum is held in the system. If so, examine the check-and-cut valve and the evaporation pipe for clogging.
AIR VENT SOLENOID VALVE
  1. Remove the air cleaner assembly.
  2. Touch the air vent solenoid on the carburetor.
  3. Verify that when the ignition switch is turned ON and OFF, the solenoid clicking is felt and heard.
  4. If not click is heard or felt, check for voltage at the solenoid or replace the solenoid.
CHECK AND CUT VALVE

Fig. 2: Check and cut valve testing

  1. Remove the valve from its location just before the gas tank. Hold the valve in the horizontal position, otherwise the weight of the valve will cause it to move out of position and close the passage.
  2. Connect a vacuum gauge in line to the passage which normally connects to the fuel tank — port A.
  3. Blow air into port A and verify that the valve opens at a pressure of 0.78-1.00 psi (5.38-6.89kpa).
  4. Remove the vacuum gauge and connect it to the passage to atmosphere — port B.
  5. Blow air into port B and verify that the valve opens at a pressure of 0.14–0.71 psi (0.97–4.89kpa).
  6. If not as specified, replace the valve.
WATER THERMO VALVE
  1. Remove the water thermo valve and immerse the valve in a container of water.
  2. Heat the water gradually and observe the temperature. Remember, you are working with hot metal and hot water, take steps to prevent burning yourself. Blow through the valve. If air passes through the valve at 130°F (54°C) or higher, the valve is operating correctly.
SLOW FUEL CUT SOLENOID VALVE
  1. Run the engine at idle speed and disconnect the slow fuel cut solenoid valve connector.
  2. If the engine stalls, the solenoid valve is operating properly. If the engine does not stall, replace the solenoid valve.
NO. 1 PURGE CONTROL VALVE

Fig. 3: No. 1 purge control valve testing

  1. Disconnect the vacuum lines from the canister.
  2. Blow through port A and verify that the air does not flow.
  3. Connect a vacuum pump to the purge control valve.
  4. Apply 4.3 in. Hg of vacuum to the purge control valve.
  5. Blow air through port B and verify that air does not flow.
  6. If not as specified, replace the purge control valve.
NO. 2 PURGE CONTROL VALVE

Fig. 4: No. 2 purge control valve testing

  1. Disconnect the vacuum hose from the fuel tank to the canister at the canister.
  2. Blow air into the canister.
  3. Verify that the air flows freely and there are no restrictions.
  4. If not as specified, replace the canister.
NO. 3 PURGE CONTROL VALVE

Fig. 5: No. 3 purge control valve testing

  1. Remove the No. 3 purge control valve.
  2. Connect a hand vacuum pump to the thermosensor side of the valve.
  3. Blow air through the valve from port A while applying 3-4 in. Hg of vacuum to the valve.
  4. Verify that air flows through the valve from port A to port B.
  5. If not as specified, replace the No. 3 purge control valve.
Pickup and MPV with Fuel Injection

Fig. 6: Evaporative emission control system — 2.2L and 2.6L fuel injected engines

The EEC system consists of a fuel separator, a fuel vapor valve, a check-and-cut valve, a 2 way check valve, a purge control solenoid valve, the engine control unit and input devices.

The amount of evaporative fumes introduced into and burned by the engine is controlled by the solenoid valve and control unit to correspond to the engine's operating conditions.

PURGE CONTROL SOLENOID VALVE

Fig. 7: Purge control solenoid valve — 2.6L and 3.0L fuel injected engines

  1. Start the vehicle and warm the engine.
  2. Disconnect the vacuum hose (usually white) closest to the wire connector from the solenoid valve.
  3. Verify there is no vacuum at the solenoid valve at idle speed.
  4. If there is vacuum at the solenoid valve, turn the engine OFF.
  5. Disconnect the other vacuum hose and apply air pressure. Verify that no air flows through the valve.
  6. Next, supply 12 volts to the terminals of the solenoid. Apply air pressure and verify that air does flow through the valve.
  7. If not as specified, replace the solenoid valve.
CHECK AND CUT VALVE
  1. Remove the valve from its location just before the gas tank. Hold the valve in the horizontal position, otherwise the weight of the valve will cause it to move out of position and close the passage.
  2. Connect a vacuum gauge in line to the passage which normally connects to the fuel tank — port A.
  3. Blow air into port A and verify that the valve opens at a pressure of 0.78–1.00 psi (5.38–6.89kpa).
  4. Remove the vacuum gauge and connect it to the passage to atmosphere — port B.
  5. Blow air into port B and verify that the valve opens at a pressure of 0.14–0.71 psi (0.96–4.89kpa).
  6. If not as specified, replace the valve.
2 WAY CHECK VALVE

Fig. 8: 2 way check valve testing

The 2 way check valve is not serviceable and should be replaced if damage or leaking is evident.

  1. Remove the valve and blow through from port A and check that air flows.
  2. Blow through from the opposite side port and check that air does not flow through. Replace the valve as required.
Navajo

Fig. 9: Evaporative canister

Other than a visual check to determine that none of the vapor lines are broken, there is no test for this equipment.

The only maintenance on the evaporative system is to periodically check all hoses and connections for leaks and deterioration. Replace any hoses which are found to be damaged in any way. Under normal circumstances, the charcoal canister is expected to last the life of the vehicle, but it should be periodically inspected for any damage or contamination by raw gasoline. Replace any gasoline soaked canister found. Refer to the illustrations for canister mounting and evaporative hose routing on the various engines. Filler cap damage or contamination that clogs the pressure/vacuum valve may result in deformation of the fuel tank.

Previous Next