Previous Next

TESTING

Navajo
THREE WIRE SENSORS
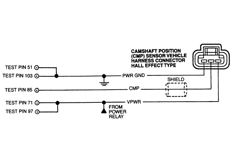
  1. With the ignition OFF, disconnect the CMP sensor. With the ignition ON and the engine OFF, measure the voltage between sensor harness connector VPWR and PWR GND terminals (refer to the accompanying illustration). If the reading is greater than 10.5 volts, the power circuit to the sensor is okay.
  2. With the ignition OFF, install break-out box between the CMP sensor and the PCM. Using a Digital Volt-Ohmmeter (DVOM) set to the voltage function (scale set to monitor less than 5 volts), measure voltage between break-out box terminals 24 and 40 with the engine running at varying RPM. If the voltage reading varies more than 0.1 volt, the sensor is okay.

    Fig. 1: CMP sensor wire harness connections for the 3-wire sensor

TWO WIRE SENSORS
  1. With the ignition OFF, install a break-out box between the CMP sensor and PCM.
  2. Using a Digital Volt-Ohmmeter (DVOM) set to the voltage function (scale set to monitor less than 5 volts), measure the voltage between break-out box terminals 24 and 46 with the engine running at varying RPM. If the voltage reading varies more than 0.1 volt AC, the sensor is okay.

    Fig. 2: CMP sensor wire harness connections for the 2-wire sensor

Pick-up and MPV Models
  1. Disconnect the negative battery cable.
  2. Remove the distributor assembly.
  3. Unplug the fuel injector connector.
  4. Connect ONLY the distributor 6-pin connector. Do NOT connect the 3-pin connector.
  5. Turn the ignition switch to the ON position.

    Fig. 3: Rotate the distributor drive and check the output signal

    Fig. 4: Output signal specification

  6. Turn the distributor drive by hand and check the output signal.
  7. If not as specified, inspect the following:
  8. If there is incorrect terminal voltage or harness continuity, replace the distributor assembly.

Previous Next