Previous Next

ENTERTAINMENT SYSTEMS

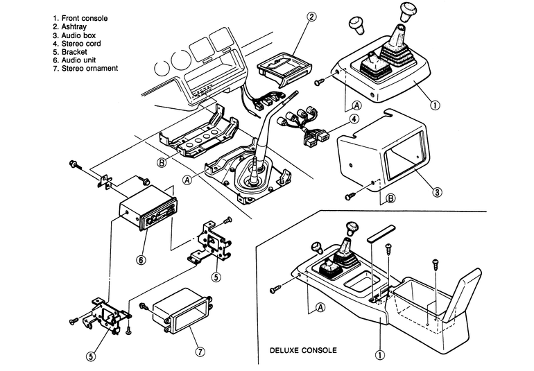
Radio Reciever/Tape Player

REMOVAL & INSTALLATION

Pickup

Fig. 1: Radio assembly removal/installation

  1. Disconnect the battery ground.
  2. Remove the front console assembly.
  3. Remove the ashtray from the instrument panel.
  4. Remove the audio box from the instrument panel.
  5. Disconnect the antenna lead, wiring and speaker connectors behind the radio.
  6. Remove the radio mounting bracket.
  7. Remove the radio pod mounting screws and lift out the unit.
  8. Installation is the reverse of removal.
MPV

Fig. 2: Push down on the upper retaining flap and pull out the ashtray

Fig. 3: Remove the two center bezel retaining screws located at the bottom edge of the bezel

Fig. 4: Pull the bezel away from the dashboard disengaging the metal clips around the bezel

Fig. 5: Remove the five radio unit mounting screws

Fig. 6: Carefully pull the radio unit out of the center dash . . .

Fig. 7: . . . then unplug the wiring harness connectors from behind the radio . . .

Fig. 8: . . . then disconnect the radio antenna leads

  1. Disconnect the negative battery cable.
  2. Remove the ashtray by pushing down on the inside metal flap and then pulling straight out.
  3. Remove the two lower center bezel mounting screws.
  4. Carefully pull out the center bezel, disengaging the metal retaining clips.
  5. Remove the five radio mounting screws.
  6. Carefully pull the radio out of the instrument panel far enough to unplug the antenna leads and wiring connectors from the radio.
  7. Remove the radio from the vehicle.

    To install:

  8. Connect the antenna leads and wiring connectors to the back of the radio, then slide into the instrument panel.
  9. Install and tighten the five mounting screws.
  10. Install the center bezel and tighten the two mounting screws.
  11. Install the ashtray.
  12. Connect the negative battery cable.
Navajo
KNOB TYPE RADIO
  1. Disconnect the battery ground cable.
  2. Remove the knobs and discs from the radio control shafts.
  3. Remove the two steering column shroud-to-panel retaining screws and remove the shroud.
  4. Detach the cluster trim cover or appliques from the instrument panel by removing the eight screws.
  5. Remove the four screws securing the mounting plate assembly to the instrument panel and remove the radio with the mounting plate and rear bracket.
  6. Disconnect the antenna lead-in cable, speaker wires and the radio (power) wire.
  7. Remove the nut and washer assembly attaching the radio rear support.
  8. Remove the nuts and washers from the radio control shafts and remove the mounting plate from the radio.

    To install:

  9. Install the radio rear support using the nut and washer assembly.
  10. Install the mounting plate to the radio using the two lock washers and two nuts.
  11. Connect the wiring connectors to the radio and position the radio with the mounting plate to the instrument panel.

    NOTE: Make sure that the hair pin area of the rear bracket is engaged to the instrument panel support.

  12. Secure the mounting plate to the instrument panel with the four screws.

    NOTE: Make sure the mounting plate is fully seated on the instrument panel.

  13. Install the panel trim covers and steering column shroud.
  14. Install the panel knobs and discs to the radio control shafts.
  15. Connect the battery ground cable.
ELECTRONICALLY TUNED RADIO (ETR)

Fig. 9: Example of the special radio removal tool

  1. Disconnect the negative battery cable.

    Fig. 10: To remove the radio, insert the removal tool prongs into the release clip access holes (arrows)

    Fig. 11: Push in approximately 1 inch (25.4mm) to release the retainer clips, then pull straight out to remove

  2. If necessary, remove the finish panel from around the radio assembly.
  3. Insert the radio removal tool 49-UN01-050 or equivalent, into the radio face.
  4. Press in 1 inch (25.4mm) to release the retaining clips, then using the tool as handles, pull the radio out of the instrument panel.

    Fig. 12: Disconnect the antenna . . .

    Fig. 13: . . . and the electrical wire harness plugs from the back of the radio

  5. Detach the antenna and wiring connectors from the radio.

    To install:

  6. Connect the wiring and slide the radio into the instrument panel. Ensure that the rear mounting bracket is engaged on the mounting track in the panel.
  7. If removed, install the finish panel.
  8. Connect the battery cable.
  9. Check the operation of the radio.

Previous Next