| Fig. 1: 5-Speed transmission with 4WD transfer case mounting
|
| Fig. 2: MPV R5MX-D transmission mounting
|
| Fig. 3: 1988–89 B2200 Pickup transmission
|
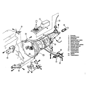
| Fig. 4: Navajo M5OD transmission mounting
|
NOTE: On Pickup and MPV models equipped with 4WD, the transmission
and transfer case are removed as a unit.
- Disconnect the negative battery cable.
- Remove knobs from the transfer case shifter, if equipped, and the gear shifter.
- Remove the shifter boot and floor console, if equipped.
- If necessary, shift the transmission into N, then unbolt and
remove the shift lever assembly. On Navajo models, the shift lever assembly
must be removed from the control housing.
- On Navajo, cover the opening in the control housing with a cloth to prevent
dirt from falling into the unit.
- Raise and safely support the vehicle.
- Drain the transmission and, if equipped, transfer case fluid.
- If necessary, remove transmission and transfer case, if equipped, splash
shields.
- Matchmark and remove the driveshaft(s). On MPV, stuff a rag in the double
offset joint to prevent damage to the boot from the driveshaft.
- Disconnect the speedometer cable from the transmission/transfer case housing
and, if equipped, the Hi-Lo shift cable.
- Label and disconnect any and all wiring harnesses at the transmission or
transmission/transaxle assembly that are required to remove the transmission
unit from the vehicle.
- Remove the front exhaust pipe and heat shield.
- Remove the starter motor.
- If necessary, disconnect the parking brake return spring and parking brake
cables.
- On MPV models with the 2.6L engine, unbolt the support bracket from the
transmission, if equipped.
- On Pickup and MPV models, remove the clutch slave cylinder and hydraulic
line bracket. It is not necessary to disconnect the hydraulic line. Support
the slave cylinder aside.
- On Navajo, disconnect the clutch hydraulic line at the clutch housing. Plug
the lines.
- Place a wood block on a service jack and position the jack under the engine
oil pan. Position a transmission jack, under the transmission.
- Remove the transmission-to-engine gusset plates, if equipped, and clutch
housing cover.
- On Navajo models, remove the transfer case from the vehicle.
- Remove the nuts and bolts attaching the transmission mount and damper to
the crossmember.
- Remove the nuts and bolts attaching the crossmember to the frame side rails
and remove the crossmember.
- Lower the transmission to gain access to the top bolts and remove the transmission-to-engine
bolts.
- Pull the transmission straight back on the jack until the mainshaft clears
the clutch. Lower the transmission and pull it out from under the vehicle.
To install:
- Check that the mating surfaces of the clutch housing, engine rear and dowel
holes are free of burrs, dirt and paint.
- Place the transmission on the transmission jack. Position the transmission
under the vehicle, then raise it into position. Align the input shaft splines
with the clutch disc splines and work the transmission forward into the locating
dowels.
- Install the transmission-to-engine retaining bolts and washers. Tighten
the retaining bolts to specifications. Remove the transmission jack.
- Install the starter motor. Tighten the attaching nuts.
- Raise the engine and install the rear crossmember, insulator and damper
and attaching nuts and bolts. Tighten and torque the bolts to specification.
- On 4WD vehicles, install the transfer case.
- On 2WD vehicles, insert the driveshaft into the transmission extension housing
and install the center bearing attaching nuts, washers and lockwashers. Connect
the driveshaft to the rear axle drive flange.
- Install the remaining components in the reverse order of removal.
