Previous Next

Power Steering Gear

REMOVAL & INSTALLATION

Pickups

Fig. 1: Steering gear assembly components

  1. Raise and support the front end on jackstands.
  2. Disconnect the pressure and return lines at the gear box. Have a drain pan underneath to catch the fluid.
  3. Remove the pinch bolt securing the wormshaft to the steering shaft coupling.
  4. Remove the cotter pin and nut securing the pitman arm to the center link and separate the pitman arm from the link with a ball joint tool.
  5. Unbolt the steering gear from the frame.
  6. If the pitman arm is to be removed from the sector shaft, first matchmark their positions, relative to each other.
  7. Place the steering gear in position and install the mounting hardware. Connect the components. Observe the following torques:
Navajo

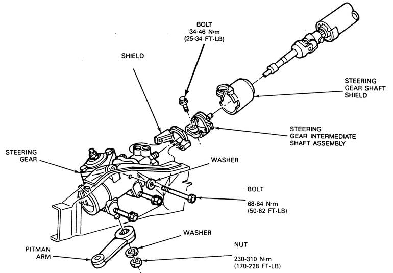
Fig. 2: Steering gear mounting

  1. Disconnect the pressure and return lines from the steering gear. Plug the lines and the ports in the gear to prevent entry of dirt.
  2. Remove the upper and lower steering gear shaft U-joint shield from the flex coupling. Remove the bolts that secure the flex coupling to the steering gear and to the column steering shaft assembly.
  3. Raise the vehicle and remove the pitman arm attaching nut and washer.
  4. Remove the pitman arm from the sector shaft using tool T64P–3590–F. Remove the tool from the pitman arm. Do not damage the seals.
  5. Support the steering gear, and remove the steering gear attaching bolts.
  6. Work the steering gear free of the flex coupling. Remove the steering gear from the vehicle.

    To install:

  7. Install the lower U–joint shield onto the steering gear lugs. Slide the upper U-joint shield into place on the steering shaft assembly.
  8. Slide the flex coupling into place on the steering shaft assembly. Turn the steering wheel so that the spokes are in the horizontal position. Center the steering gear input shaft.
  9. Slide the steering gear input shaft into the flex coupling and into place on the frame side rail. Install the attaching bolts and tighten to 50–62 ft. lbs. (60–84 Nm). Tighten the flex coupling bolt 26–34 ft. lbs. (35–46 Nm).
  10. Be sure the wheels are in the straight ahead position, then install the pitman arm on the sector shaft. Install the pitman arm attaching washer and nut. Tighten nut to 170–230 ft. lbs. (231–313 Nm).
  11. Connect and tighten the pressure and the return lines to the steering gear.
  12. Disconnect the coil wire. Fill the reservoir. Turn on the ignition and turn the steering wheel from left to right to distribute the fluid.
  13. Recheck fluid level and add fluid, if necessary. Connect the coil wire, start the engine and turn the steering wheel from side to side. Inspect for fluid leaks.

Previous Next