Previous Next

Power Steering Pump

REMOVAL & INSTALLATION

B2200

Fig. 1: Power steering pump mounting

  1. Raise and support the front end on jackstands.
  2. Loosen the idler pulley bolt and remove the drive belt.
  3. Remove the pump pulley nut.
  4. Using a puller, remove the pulley from the pump.
  5. Disconnect the return hose from the pump. Have a drain pan ready to catch the fluid.
  6. Remove the pressure hose bracket bolt and unscrew the pressure hose from the pump. Always use a back-up wrench.
  7. Support the pump and remove the front and rear pump-to-bracket bolts. Remove the pump.
  8. Place the pump in position and install the mounting bolts. Connect the pressure and return lines. Install the drive pulley and belt. Adjust the drive belt to the proper tension. Fill and bleed the system. Observe the following torques:
B2600
  1. Raise and support the front end on jackstands.
  2. Remove the pump adjusting bolt and remove the drive belt.
  3. Remove the lower pump-to-bracket through-bolt and spacer.
  4. Rotate the pump to get to the hoses.
  5. Disconnect the return hose from the pump. Have a drain pan ready to catch the fluid.
  6. Remove the pressure hose from the pump. Always use a back-up wrench.
  7. Support the pump and remove the upper pump-to-bracket bolt. Remove the pump.
  8. Place the pump in position and install the upper mounting bolt loosely. Connect the pressure and return hoses. Install the lower mounting and adjusting bolts. Tighten the mounting bolts enough so that the pump can still be move for belt adjustment. Install the drive belt and adjust to proper tension. Tighten the mounting bolts. Fill and bleed the system. Observe the following torques:
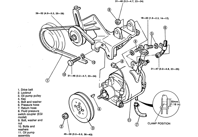
MPV w/6-Cylinder Engine

Fig. 2: Power steering pump mounting

  1. Loosen the idler pulley locknut.
  2. Loosen the pump adjusting bolt.
  3. Remove the drive belt.
  4. Remove the pump pulley nut.
  5. Using a puller, remove the pulley.
  6. Disconnect the pressure switch wiring connector.
  7. Place a drain pan under the pump.
  8. Matchmark the pressure line connection and disconnect it.
  9. Remove the pressure line bracket bolt.
  10. Disconnect the return line.
  11. Remove the pump-to-bracket bolts and lift out the pump.
  12. Place the pump in position and install the mounting bolts. Connect the return and pressure. Install the drive pulley and belt. Adjust the drive belt to the proper tension. Fill and bleed the system. Observe the following torques:
MPV w/4-Cylinder Engine
  1. Place a drain pan under the pump.
  2. Loosen the idler pulley locknut and the pump adjusting bolt and remove the pump drive belt.
  3. Remove the pump pulley nut.
  4. Remove the pulley.
  5. Unplug the pressure switch coupler.
  6. Matchmark the high pressure line coupling and disconnect the line.
  7. Remove the return hose.
  8. Remove the pump-to-bracket bolts and lift out the pump.
  9. Place the pump in position and install and tighten the mounting bolts. Connect the return and pressure hoses. Install the drive pulley. Install and adjust the drive belt. Fill and bleed the system. Tighten the high pressure coupling to 23–35 ft. lbs. (31–47 Nm), aligning the high pressure coupling matchmarks. Tighten the pump mounting bolts to 23–34 ft. lbs. (31–46 Nm). Tighten the pulley nut to 29–43 ft. lbs. (39–58 Nm). Tighten the idler pulley locknut to 27–38 ft. lbs. (37–52 Nm).
Navajo
  1. Disconnect the negative battery cable.
  2. Remove some power steering fluid from the reservoir by disconnecting the fluid return line hose at the reservoir. Drain the fluid into a container and discard it.
  3. Remove the pressure hose from the pump. If equipped, disconnect the power steering pump pressure switch.
  4. Slacken belt tension by lifting the tensioner pulley in a clockwise direction. Remove the drive belt from under the tensioner pulley and slowly lower the pulley to its stop.
  5. Remove the drive belt from the pulley. If necessary, remove the oil dipstick tube.
  6. If equipped, remove the power steering pump bracket support brace.
  7. Install power steering pump pulley removal tool T69L–10300–B or equivalent. Hold the pump and rotate the tool counterclockwise to remove the pulley. Do not apply in and out pressure to the pump shaft, as internal pump damage will occur.
  8. Remove the power steering retaining bolts. Remove the power steering pump from the vehicle.

    To install:

  9. Position the pump on the bracket. Install and tighten the retaining bolts.
  10. Install the pulley removal tool and install the power steering pump pulley to the power steering pump.

    NOTE: Fore and aft location of the pulley on the power steering pump shaft is critical. Incorrect belt alignment may cause belt squeal or chirp. Be sure that the pull off groove on the pulley is facing front and flush with the end of the shaft ± 0.010 inch (0.25mm).

  11. Continue the installation in the reverse order of the removal procedure. Adjust the belt tension to specification.
  12. While lifting the tensioner pulley in a clockwise direction, slide the belt under the tensioner pulley and lower the pulley to the belt.

Previous Next