Previous Next

REMOVAL & INSTALLATION

Rear Wheel Drive

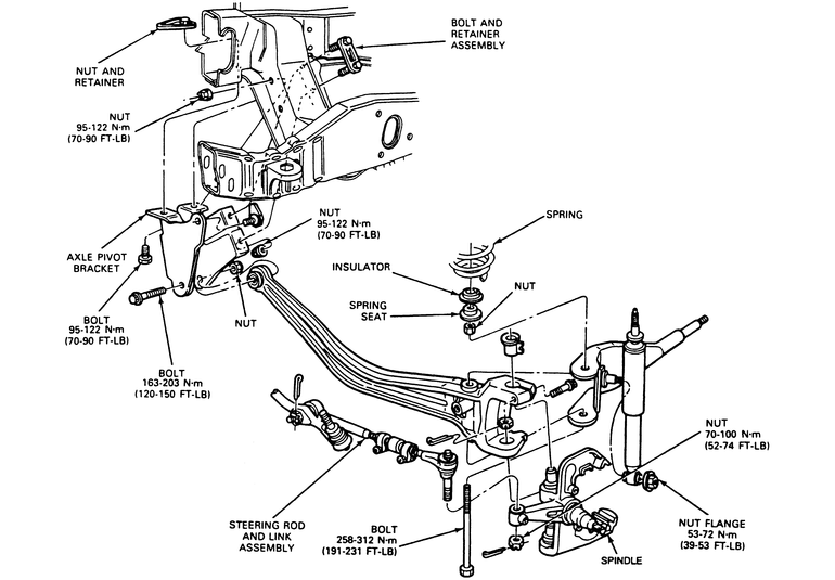
Fig. 1: Exploded view of the front I-beam axle assembly

Fig. 2: Left side I-beam axle pivot bracket

Fig. 3: Right side I-beam axle pivot bracket

  1. Raise and safely support the vehicle. Remove the front wheel spindle. Remove the front spring. Remove the front stabilizer bar, if equipped.
  2. Remove the spring lower seat from the radius arm, and then remove the bolt and nut that attaches the stabilizer bar bracket, and the radius arm to the (I-Beam) front axle.
  3. Remove the axle-to-frame pivot bracket bolt and nut.

    To install:

  4. Position the axle to the frame pivot bracket and install the bolt and nut finger tight.
  5. Position the opposite end of the axle to the radius arm, install the attaching bolt from underneath through the bracket, the radius arm,, and the axle. Install the nut and tighten to 191–220 ft. lbs.
  6. Install the spring lower seat on the radius arm so that the hole in the seat indexes over the arm-to-axle bolt.
  7. Install the front spring.

    NOTE: Lower the vehicle on its wheels or properly support the vehicle at the front springs before tightening the axle pivot bolt and nut.

  8. Tighten the axle-to-frame pivot bracket bolt to 120–150 ft. lbs.
  9. Install the front wheel spindle.
4-Wheel Drive

The I-beam axle is part of the front drive axle assembly. Refer to Section 7 for front drive axle housing removal and installation procedures.

Previous Next