Previous Next

Shock Absorbers

REMOVAL & INSTALLATION

Pickup

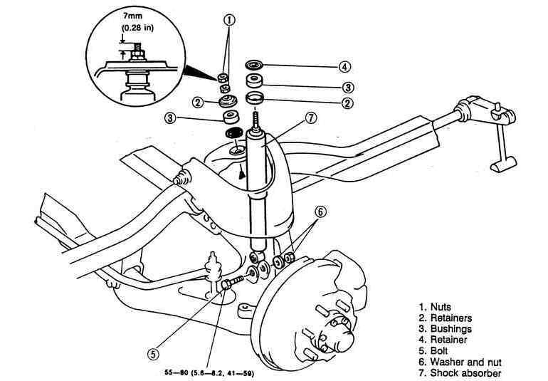
Fig. 1: Front shock absorber removal/installation

  1. Raise and safely support the vehicle. Remove the wheel and tire assembly.
  2. Remove the upper shock absorber nuts, retainer and bushing.
  3. Remove the lower shock absorber-to-lower control arm mounting bolt, nut and washer.
  4. Slightly compress the shock absorber and remove it from the vehicle. Remove the remaining retainers and bushing from the upper shock absorber stud.

    To install:

  5. Install the shock absorber and install the mounting bolts, nuts, washers and bushings. Do not tighten at this time.
  6. Install the wheel and tire assembly and lower the vehicle.
  7. With the vehicle unladen, tighten the upper shock absorber mounting nuts until the stud protrudes 0.28 inch (7mm) above the upper nut. Tighten the lower mounting bolt and nut to 41–59 ft. lbs. (55–80 Nm).
  8. Check the front end alignment.
Navajo
REAR WHEEL DRIVE

NOTE: Low pressure gas shocks are charged with Nitrogen gas. Do not attempt to open, puncture or apply heat to them. Prior to installing a new shock absorber, hold it upright and extend it fully. Invert it and fully compress and extend it at least 3 times. This will bleed trapped air.

  1. Raise the vehicle, as required to provide additional access and remove the bolt and nut attaching the shock absorber to the lower bracket on the radius arm.
  2. Remove the nut, washer and insulator from the shock absorber at the frame bracket and remove the shock absorber.
  3. Position the washer and insulator on the shock absorber rod and position the shock absorber to the frame bracket.
  4. Position the insulator and washer on the shock absorber rod and install the attaching nut loosely.
  5. Position the shock absorber to the lower bracket and install the attaching bolt and nut loosely.
  6. Tighten the lower mounting nut to 39-53 ft. lbs. (53-72 Nm) and the upper to 25-35 ft. lbs. (34-48 Nm).
4-WHEEL DRIVE

Fig. 2: To remove the front shock absorber, remove the lower radius arm shock retaining nut . . .

Fig. 3: . . . then pull the lower shock mount from the stud

Fig. 4: Next, unbolt the upper shock mount using a second wrench on the mount stud to keep it from spinning . . .

Fig. 5: . . . then pull the shock assembly from the upper spring mount

NOTE: Low pressure gas shocks are charged with Nitrogen gas. Do not attempt to open, puncture or apply heat to them. Prior to installing a new shock absorber, hold it upright and extend it fully. Invert it and fully compress and extend it at least 3 times. This will bleed trapped air.

  1. Raise the vehicle, as required to provide additional access and remove the bolt and nut attaching the shock absorber to the radius arm.
  2. Remove the nut, washer and insulator from the shock absorber at the frame bracket and remove the shock absorber.

    To install:

  3. Position the washer and insulator on the shock absorber rod and position the shock absorber to the frame bracket.
  4. Position the insulator and washer on the shock absorber rod and install the attaching nut loosely.
  5. Position the shock absorber to the lower bracket and install the attaching bolt and nut loosely.
  6. Tighten the lower attaching bolts to 39–53 ft. lbs., and the upper attaching bolts to 25–35 ft. lbs.

Previous Next