Previous Next

Sway Bar

REMOVAL & INSTALLATION

Pickup

Fig. 1: Stabilizer bar removal/installation — Pickups with 4WD

  1. Raise and support the front end on jackstands.
  2. Unbolt the stabilizer bar-to-frame clamps.
  3. Unbolt the stabilizer bar from the lower control arms. Keep all the bushings, washers and spacers in order.
  4. Check all parts for wear or damage and replace anything which looks suspicious.
  5. Install the stabilizer bar to the lower control arms and mount the frame brackets. Tighten all fasteners lightly, then torque them to specifications with the wheels on the ground.
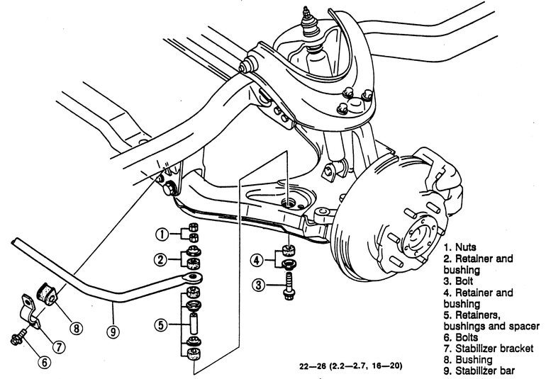
MPV

Fig. 2: Use a box wrench and a backup wrench, remove the locking nut (1) and then the retaining nut (2)

Fig. 3: Remove the top bushing and retainer from the top of the sway bar link

Fig. 4: Remove the two sway bar bushing retainer mounting bolts

  1. Raise and support the front end on jackstands.
  2. Remove the splash shield.
  3. Disconnect the end links at the compression rods.
  4. Remove the clamp bolts. Lift out the stabilizer bar.
  5. Inspect all parts for wear and/or damage. Replace as necessary.
  6. Install the Stabilizer Bar and components in reverse order. The end link bushings have alignment marks on the bar. Torque the clamp bolts to 45 ft. lbs. Tighten the end link bolts until 13mm ± 1mm of thread is visible above the nut.
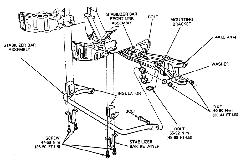
Navajo
REAR WHEEL DRIVE

Fig. 5: Exploded view of the Navajo stabilizer bar and related parts — rear wheel drive shown

  1. As required, raise and support the vehicle safely.
  2. Remove the nuts and washer and disconnect the stabilizer link assembly from the front I-beam axle.
  3. Remove the mounting bolts and remove the stabilizer bar retainers from the stabilizer bar assembly.
  4. Remove the stabilizer bar from the vehicle.

    To install:

  5. Place stabilizer bar in position on the frame mounting brackets.
  6. Install retainers and tighten retainer bolt to 30–50 ft. lbs. If removed, install the stabilizer bar link assembly to the stabilizer bar. Install the nut and washer and tighten to 30–40 ft. lbs.
  7. Position the stabilizer bar link in the I-beam mounting bracket. Install the bolt and tighten to 30–44 ft. lbs.
4-WHEEL DRIVE
  1. As required, raise and support the vehicle safely. Remove the bolts and the retainers from the center and right hand end of the stabilizer bar.
  2. Remove the nut, bolt and washer retaining the stabilizer bar to the stabilizer link.
  3. Remove the stabilizer bar and bushings from the vehicle.
  4. Installation is the reverse of the removal procedure. Tighten the retainer bolts to 35–50 ft. lbs. Tighten the stabilizer bar to link nut to 30–44 ft. lbs.

Previous Next