Previous Next

Fenders

REMOVAL & INSTALLATION

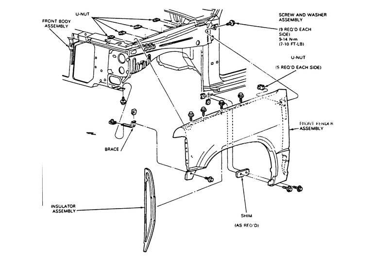
Fig. 1: Front fender mounting — Navajo shown, other models similar

  1. Clean all of the dirt from the fender mounting screws, bolts and nuts.
  2. Remove the headlamp door, headlamp assembly, sidemarker lamp, or parking lamp assembly, depending on model.
  3. Remove the bolt(s) attaching the rear of the front fender to the windshield cowl. This bolt is usually accessed from inside the vehicle with the door opened.
  4. Remove the top bolts that mount the fender to the inter-body.
  5. Loosen the wheel lugs slightly. Raise and safely support the vehicle. Remove the wheel and tire assembly.
  6. Remove the bolts attaching the fender brace to the body. Remove the bolts attaching the fender to the radiator support, and remove the bolts attaching the fender to the fender apron (inner splash shield).
  7. Remove the bolts mounting the fender to the lower rocker sill. Check for any other mounting bolts, remove them. Remove the fender.
  8. To install, place the fender in position and install the mounting bolts loosely. Align the lower edge of the fender to the rocker sill and secure the bolts. Align the upper edge of the fender to the cowl and tighten the bolts. Install the remaining components.

Previous Next