Previous Next

INTERIOR

Instrument Panel and Pad

REMOVAL & INSTALLATION

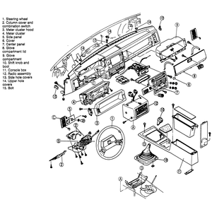
Pickups

Fig. 1: Pickup instrument panel and center console assembly

Fig. 2: Instrument panel interlock locations

Fig. 3: Instrument panel mounting hardware locations

  1. Disconnect the negative battery cable.
  2. Remove the steering wheel. Column upper and lower covers and the combination switch.
  3. Remove the instrument cluster meter hood. Remove the instrument cluster assembly.
  4. Remove the switch knob and the left side panel (next to the cluster mounting.
  5. Remove the trim covers over the center panel mounting screws. Remove the center cover.
  6. Remove the glove box lid and the glove box.
  7. Remove the shift knob and boot. Remove the console box (models equipped).
  8. Remove the radio assembly. Remove the small covers from each side of the instrument panel. Between the panel and each side body door frame.
  9. Remove the instrument panel mounting screw covers and the mounting screw. Remove the panel.
  10. To install, place the panel in position and secure it with the mounting screws. Install the remaining components in the reverse of removal.
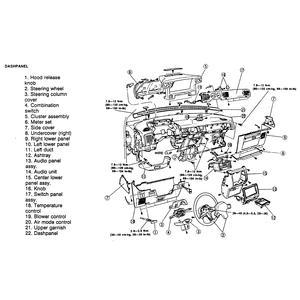
MPV

Fig. 4: MPV instrument panel assembly

  1. Disconnect the negative battery cable.
  2. Remove the hood release knob, steering wheel and column cover.
  3. Remove the combination switch.
  4. Remove the instrument cluster assembly and meter set. Remove the side cover.
  5. Remove the right side undercover pad (vehicles equipped). Remove the right and left side lower panel assemblies.
  6. Remove the left side duct, ashtray and audio panel assembly.
  7. Remove the audio unit. Remove the lower center panel.
  8. Remove the switch knobs and the upper switch panel. Remove the temperature control, blower control and airflow mode control.
  9. Remove the upper garnish and the dash panel.
  10. Position and secure the dash panel. Install the remaining components in the reverse of removal.
Navajo

Fig. 5: Navajo instrument panel mounting

  1. Disconnect the negative battery cable.
  2. Remove the ashtray and retainer assembly. Remove the instrument cluster finish panel by unsnapping the seven snap-in retainers. Remove the cluster retaining screws. Pull the cluster forward and disconnect the speedometer and electrical connectors. Remove the cluster.
  3. Remove the hood opening cable from the bottom of the steering column cover. Remove the two screws retaining the bottom of the steering column cover and remove the cover by disengaging the two retainers at the top corners of the cover.
  4. Remove the screw that attaches the instrument panel to the brake/clutch support.
  5. Remove the steering column upper and lower shrouds.
  6. Disconnect the wiring harness connectors to the steering column switches.
  7. Remove the right and left cowl side trim covers. Remove the two bolts retaining the right and left instrument panel lower corners to the cowl side.
  8. Remove the front body inside pillar moldings. Remove the right lower insulator, if equipped. Remove the four screws retaining the top of the panel.
  9. Support the panel assembly and reach through the openings and underneath the instrument panel to disconnect the panel wiring, vacuum lines, radio antenna and heater/AC controls. (Label for reinstallation identification). Remove the panel mounting bolts and the panel.
  10. Install and secure the panel. Install the components in the reverse of removal.

Previous Next