Previous Next

Oil Pan

REMOVAL & INSTALLATION

2.3L and 2.5L Engines

Fig. 1: Oil pan on the 1994 2.3L engine — 1995 — 98 engines similar

  1. Disconnect the battery ground cable.
  2. Remove the engine assembly from vehicle.

    CAUTION
    Do NOT turn the engine assembly upside down with the oil pan still attached. Sludge and debris in the oil pan will fall into the cylinders, pistons and connecting rods, possibly causing rapid wear. Sludge may also plug the engine oil pickup screen.

  3. Mount the engine assembly on an engine stand with the engine mounted in the upright position.
  4. Remove the oil pan mounting bolts.
  5. Remove the oil pan from the engine.
  6. Remove and discard the oil pan gasket. Thoroughly clean all gasket mating surfaces.

    To install:

    NOTE: Wait no longer than 4 minutes after applying silicone gasket sealant to install the oil pan.

    Fig. 2: Apply silicone gasket sealant in the six illustrated locations

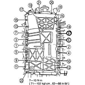
    Fig. 3: Oil pan mounting bolt tightening sequence

  7. Apply a 0.24 inch (6mm) bead of silicone gasket sealant in six places as illustrated.
  8. Position and press into place the new oil pan gasket onto the oil pan mounting flange.
  9. Using a straight edge, line up the oil pan to the engine block.
  10. Install the oil pan mounting bolts. The 2 long bolts are installed in the two rear pan holes (holes 15 and 18 shown in the illustration) near the flywheel.
  11. Tighten the oil pan bolts, in sequence, to 124–141 inch lbs. (14–16 Nm).
  12. Install the engine assembly into the vehicle.
  13. Connect the negative battery cable. Fill the engine with the proper amount and type of engine oil. Add all necessary fluids and be sure that all components are installed/connected correctly.
3.0L Engine (B Series Pick-up)
  1. Disconnect the negative battery cable.
  2. Remove the oil level dipstick.
  3. Remove the fan shroud. Leave the fan shroud over the fan assembly.
  4. Remove the motor mount nuts from the frame.

    WARNING
    On models equipped with distributor ignition, failure to remove the distributor will damage or break it when the engine is lifted.

  5. If equipped, mark and remove the distributor assembly from the engine.
  6. Raise and support the vehicle safely. Remove the oil level sensor wire.
  7. Drain the engine oil from the crankcase into a suitable container and dispose of it properly.

    CAUTION
    The EPA warns that prolonged contact with used engine oil may cause a number of skin disorders, including cancer! You should make every effort to minimize your exposure to used engine oil. Protective gloves should be worn when changing the oil. Wash your hands and any other exposed skin areas as soon as possible after exposure to used engine oil. Soap and water, or waterless hand cleaner should be used.

  8. Remove the starter motor from the engine.
  9. Remove the transmission inspection cover.
  10. On 1994–97 models, remove the right hand axle I–Beam. The brake caliper must be removed and secured out of the way. Refer to the necessary service procedures.
  11. Remove the oil pan attaching bolts, using a suitable lifting device, raise the engine about 2 inches. Remove the oil pan from the engine block.

    NOTE: Oil pan fits tightly between the transmission spacer plate and oil pump pickup tube. Use care when removing the oil pan from the engine.

  12. Clean all gasket surfaces on the engine and oil pan. Remove all traces of old gasket and/or sealer.

    To install:

  13. Apply a 0.16–0.23 inch (4–6mm) bead of RTV sealer to the junctions of the rear main bearing cap and block, and the front cover and block. The sealer sets in 15 minutes, so work quickly!
  14. Apply adhesive to the gasket mating surfaces and install oil pan gasket.
  15. Install the oil pan on the engine block.

    Fig. 4: Oil pan installation for the 3.0L engine

  16. Tighten the oil pan bolts in 5 steps to the following specifications:
  17. Install low–oil level sensor connector. Lower engine assembly to original position.
  18. On 1994–97 models, install right hand axle I–Beam. Install the brake caliper. Refer to the necessary service procedures.
  19. Install transmission inspection cover. Install starter motor.
  20. Lower the vehicle and install the fan shroud.
  21. Install motor mount retaining nuts. If removed, install distributor assembly.
  22. Replace the oil level dipstick. Connect the battery ground. Fill crankcase with the correct amount of new engine oil. Start engine and check for leaks.
  23. If equipped with distributor ignition, check the base ignition timing.
4.0L Engine
1994–97

NOTE: Review the complete service procedure before starting this repair.

  1. Disconnect the negative battery cable. Remove the complete engine assembly from the vehicle. Refer to the necessary service procedures in this section.
  2. Mount the engine on a suitable engine stand with oil pan facing up.
  3. Remove the oil pan attaching bolts (note location of 2 spacers) and remove the pan from the engine block.
  4. Remove the oil pan gasket and crankshaft rear main bearing cap wedge seal.
  5. Clean all gasket surfaces on the engine and oil pan. Remove all traces of old gasket and/or sealer.

    To install:

  6. Install a new crankshaft rear main bearing cap wedge seal. The seal should fit snugly into the sides of the rear main bearing cap.

    Fig. 5: Oil pan installation on the 4.0L engine

    Fig. 6: Checking oil pan alignment on the 4.0L engine

  7. Position the oil pan gasket to the engine block and place the oil pan in correct position on the 4 locating studs.
  8. Tighten the oil pan retaining bolts EVENLY to 5–7 ft. lbs. (7–10 Nm).
  9. The transmission bolts to the engine and oil pan. There are 2 spacers on the rear of the oil pan to allow proper mating of the transmission and oil pan. If these spacers were lost, or the oil pan was replaced, you must determine the proper spacers to install. To do this:
    1. With the oil pan installed, place a straightedge across the machined mating surface of the rear of the block, extending over the oil pan–to–transmission mounting surface.
    2. Using a feeler gauge, measure the gap between the oil pan mounting pad and the straightedge.
    3. Repeat the procedure for the other side.
    4. Select the spacers as follows:
      • Gap = 0.011–0.020 in.; spacer = 0.010 in.
      • Gap = 0.021–0.029 in.; spacer = 0.020 in.
      • Gap = 0.030–0.039 in.; spacer = 0.030 in.

      NOTE: Failure to use the correct spacers will result in damage to the oil pan and oil leakage.

  10. Install the selected spacers to the mounting pads on the rear of the oil pan before bolting the engine and transmission together. Install the engine assembly in the vehicle.
  11. Connect the negative battery cable. Start the engine and check for leaks.
1998
  1. Disconnect the negative battery cable.
  2. Attach the engine lifting brackets.

    Fig. 7: Remove the motor mount retaining nuts

  3. Remove the 4 motor mount retaining nuts.
  4. Raise and safely support the engine assembly with an engine hoist and a three bar engine support.
  5. Raise and support the vehicle safely.
  6. Remove the starter motor.
  7. Drain the engine oil from the crankcase into a suitable container and dispose of it properly.

    CAUTION
    The EPA warns that prolonged contact with used engine oil may cause a number of skin disorders, including cancer! You should make every effort to minimize your exposure to used engine oil. Protective gloves should be worn when changing the oil. Wash your hands and any other exposed skin areas as soon as possible after exposure to used engine oil. Soap and water, or waterless hand cleaner should be used.

    Fig. 8: Remove the Torx® head bolts at the front end of the oil pan

  8. Remove the oil pan Torx® head bolts.
  9. Remove the oil pan attaching nuts and bolts. Remove the oil pan from the engine block.
  10. Clean all gasket surfaces on the engine and oil pan. Remove all traces of old gasket and/or sealer.

    To install:

    Fig. 9: Apply silicone gasket sealant in the locations illustrated

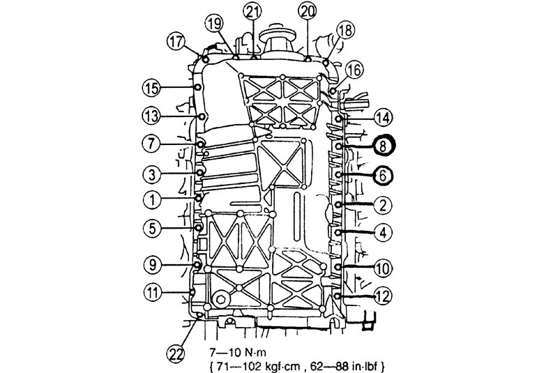
    Fig. 10: Oil pan bolt tightening sequence

  11. Apply a 0.24 inch (6mm) bead of RTV sealer to the six places illustrated. The sealer sets in 15 minutes, so work quickly!
  12. Install the new oil pan gasket.
  13. Using a straight edge, line up the oil pan to the engine block.
  14. Tighten the oil pan bolts to 7–10 ft. lbs. (10–14 Nm) evenly in the sequence illustrated.
  15. Install the starter motor.
  16. Lower the vehicle.
  17. Using the engine hoist, remove the three bar engine support and lower the engine assembly to original position.
  18. Tighten the 4 motor mount retaining nuts and remove the engine lifting brackets.
  19. Connect the negative battery cables.
  20. Fill crankcase with the correct amount of new engine oil. Start engine and check for leaks.
2.6L Engine

Fig. 11: Oil pan and components

  1. Disconnect the negative battery cable.
  2. Raise and support the front end on jackstands.
  3. Drain the oil.
  4. Remove the splash pan.
  5. Remove the engine braces.
  6. Remove the stabilizer bracket.
  7. Unbolt and remove the oil pan.
  8. Clean the mounting bolts, oil pan and engine block gasket surfaces thoroughly of any debris and old gasket material.

    To install:

  9. Apply silicone gasket sealant to the oil pan along the inside of the mounting bolt holes, overlapping the ends.
  10. Be sure to install the oil pan to the engine block within 5 minutes after applying the silicone gasket sealant.
  11. Install and tighten the oil pan mounting bolts to screws to 70–95 inch lbs. (8–11 Nm).
  12. Install all other parts in reverse order of removal.
  13. Fill the engine with the correct type and amount of new engine oil.
  14. Connect the negative battery cable.
  15. Start the engine and check for leaks.
  16. After turning off the engine, recheck the oil level.
3.0L Engine (MPV)

Fig. 12: Oil pan and components

  1. Disconnect the negative battery cable.
  2. Raise and safely support the vehicle.
  3. On 4WD, attach a suitable engine lifting tool to hold the engine.
  4. Drain the oil.
  5. Remove the splash shield.
  6. On 2WD, remove the 2 engine braces (gusset plates).
  7. On 4WD, perform the following procedures:
    1. Remove the fresh-air duct and the cooling fan cowling.
    2. Remove the driver's side engine mount.
    3. Remove the transmission lower mount.
    4. Remove the oil cooler hose and pipe.
    5. Remove the stabilizer brackets.
  8. Unbolt and remove the oil pan.

    To install:

  9. Clean the oil pan and engine block gasket surfaces thoroughly.
  10. Install a new pan gasket.
  11. Install the oil pan and tighten the bolts to 61–87 inch lbs. (7–10 Nm).
  12. On 4WD, perform the following procedures:
    1. Install the stabilizer brackets, then tighten the bolts to 14–18 ft. lbs. (19–25 Nm).
    2. Install the oil cooler hose and pipe.
    3. Install the transmission lower mount. Tighten the mounting bolt to 32–44 ft. lbs. (44–60 Nm), and the nut to 24–33 ft. lbs. (32–46 Nm).
    4. Install the engine mount. Tighten the mounting bolts to 26–36 ft. lbs. (35–49 Nm).
    5. Install the cooling fan cowling and the fresh-air duct.
  13. On 2WD, install the engine braces, then tighten the mounting bolts to 28–38 ft. lbs. (38–51 Nm).
  14. Install the splash shield and tighten the bolts to 61–87 inch lbs. (7–10 Nm).
  15. On 4WD, remove the engine lifting tool.
  16. Fill the engine oil, and lower the vehicle.
  17. Connect the negative battery cable.

Previous Next