Previous Next

REPLACEMENT

Fig. 1: B Series Pick-up exhaust system — 2.3L engine

Fig. 2: B Series Pick-up exhaust system — 2.5L engine

Fig. 3: MPV exhaust system — 2.6L engine

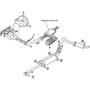
Fig. 4: MPV exhaust system — 3.0L engine

Fig. 5: B Series Pick-up and Navajo exhaust system — 3.0L and 4.0L engines

There are basically two types of exhaust systems. One is the flange type where the component ends are attached with bolts and a gasket in-between. The other exhaust system is the slip joint type. These components slip into one another using clamps to retain them together.

CAUTION
Allow the exhaust system to cool sufficiently before spraying a solvent onto exhaust fasteners. Some solvents are highly flammable and could ignite when sprayed on hot exhaust components.

Before removing any component of the exhaust system, ALWAYS squirt a liquid rust dissolving agent onto the fasteners for ease of removal. A lot of knuckle skin will be saved by following this rule. It may even be wise to spray the fasteners and allow them to sit overnight.

Fig. 6: Nuts and bolts will be extremely difficult to remove when deteriorated with rust

Flange Type

CAUTION
Do NOT perform exhaust repairs or inspection with the engine or exhaust hot. Allow the system to cool completely before attempting any work. Exhaust systems are noted for sharp edges, flaking metal and rusted bolts. Gloves and eye protection are required. A healthy supply of penetrating oil and rags is highly recommended. Never spray liquid rust dissolving agent onto a hot exhaust component.

Fig. 7: Example of a flange type exhaust system joint

Before removing any component on a flange type system, ALWAYS squirt a liquid rust dissolving agent onto the fasteners for ease of removal. Start by unbolting the exhaust piece at both ends (if required). When unbolting the headpipe from the manifold, make sure that the bolts are free before trying to remove them. if you snap a stud in the exhaust manifold, the stud will have to be removed with a bolt extractor, which often means removal of the manifold itself. Next, disconnect the component from the mounting; slight twisting and turning may be required to remove the component completely from the vehicle. You may need to tap on the component with a rubber mallet to loosen the component. If all else fails, use a hacksaw to separate the parts. An oxy-acetylene cutting torch may be faster but the sparks are DANGEROUS near the fuel tank, and at the very least, accidents could happen, resulting in damage to the under-car parts, not to mention yourself.

Slip Joint Type

Fig. 8: Example of a common slip joint type system

Before removing any component on the slip joint type exhaust system, ALWAYS squirt a liquid rust dissolving agent onto the fasteners for ease of removal. Start by unbolting the exhaust piece at both ends (if required). When unbolting the headpipe from the manifold, make sure that the bolts are free before trying to remove them. if you snap a stud in the exhaust manifold, the stud will have to be removed with a bolt extractor, which often means removal of the manifold itself. Next, remove the mounting U-bolts from around the exhaust pipe you are extracting from the vehicle. Don't be surprised if the U-bolts break while removing the nuts. Loosen the exhaust pipe from any mounting brackets retaining it to the floor pan and separate the components.

Previous Next