Previous Next

VACUUM DIAGRAMS

Fig. 1: Typical example of a Vehicle Emissions Control Information (VECI) label-Located on the underside of the hood

Following are vacuum diagrams for most of the engine and emissions package combinations covered by this manual. Because vacuum circuits will vary based on various engine and vehicle options, always refer first to the vehicle emission control information label, if present. Should the label be missing, or should vehicle be equipped with a different engine from the vehicle's original equipment, refer to the diagrams below for the same or similar configuration.

If you wish to obtain a replacement emissions label, most manufacturers make the labels available for purchase. The labels can usually be ordered from a local dealer.

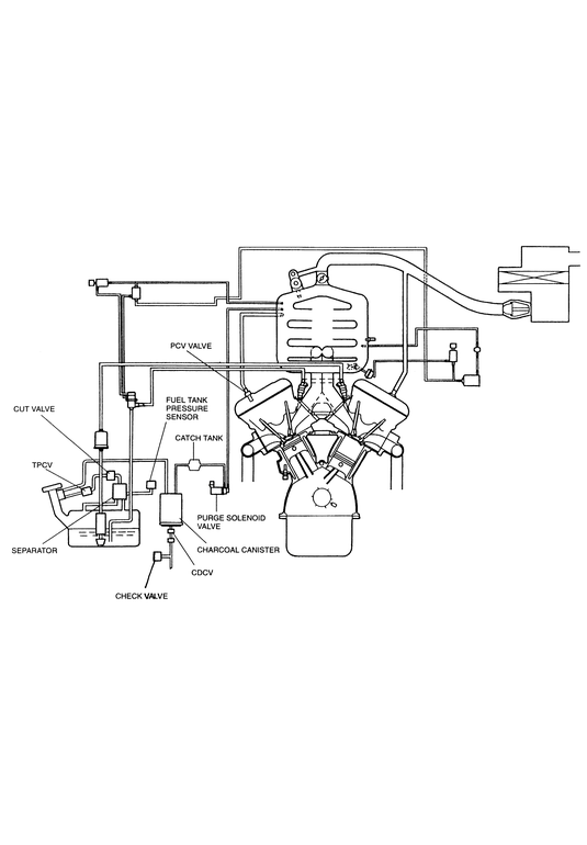
Fig. 2: Vacuum hose routing for the Navajo and 1994 B Series Pick-up models equipped with the 4.0L engine

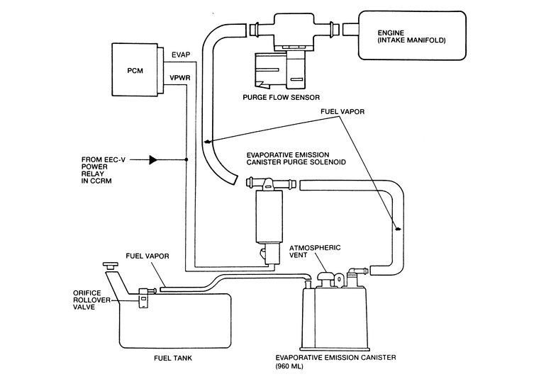
Fig. 3: Vacuum hose routing for 1994 B Series Pick-up models equipped with the 3.0L engine

Fig. 4: Vacuum hose routing for 1995 — 97 B Series Pick-up models

Fig. 5: Vacuum hose routing for 1994 — 95 MPV models equipped with the 2.6L engine

Fig. 6: Vacuum hose routing for 1994 — 95 MPV models equipped with the 3.0L engine

Fig. 7: Vacuum hose routing for 1996 — 98 MPV models equipped with the 3.0L engine

Previous Next