Previous Next

Heater Core

REMOVAL & INSTALLATION

Navajo and 1994 B Series Pick-up Models

Fig. 1: Exploded view of the 1994 heater core assembly

  1. Disconnect the negative battery cable. Allow the engine to cool down. Drain the cooling system to a level below the heater core fittings on the firewall.

    CAUTION
    When draining the coolant, keep in mind that cats and dogs are attracted by the ethylene glycol antifreeze, and are quite likely to drink any that is left in an uncovered container or in puddles on the ground. This will prove fatal in sufficient quantity. Always drain the coolant into a sealable container. Coolant should be reused unless it is contaminated or several years old. From inside the engine compartment, disconnect the heater hoses from the core fittings . . .

  2. Disconnect the heater hoses from the heater core tubes and plug hoses.
  3. In the passenger compartment, remove the four screws attaching the heater core access cover to the plenum assembly and remove the access cover. . . . then, in the passenger compartment, remove the under dash cover retaining screws . . .

    . . . and allow the cover to drop down. If necessary, you can remove the cover if it is in your way

    Remove the heater core access panel attaching screws . . .

    . . . then remove the cover by pulling downward and straight back to disengage the drain tube (arrow)

  4. Pull the heater core rearward and down, removing it from the plenum assembly. Pull the heater core rearward and down to remove it from the plenum assembly

    To install:

  5. Position the heater core and seal in the plenum assembly.
  6. Install the heater core access cover to the plenum assembly and secure with four screws.
  7. Install the heater hoses to the heater core tubes at the dash panel in the engine compartment. Do not over-tighten hose clamps.
  8. Check the coolant level and add coolant as required. Connect the negative battery cable.
  9. Start the engine and check the system for coolant leaks.
1995–98 B Series Pick-up Models

Fig. 2: Exploded view of the blower motor housing and the heater air plenum assemblies

  1. Disconnect the negative battery cable. Allow the engine to cool down. Drain the cooling system to a level below the heater core fittings on the firewall.

    CAUTION
    When draining the coolant, keep in mind that cats and dogs are attracted by the ethylene glycol antifreeze, and are quite likely to drink any that is left in an uncovered container or in puddles on the ground. This will prove fatal in sufficient quantity. Always drain the coolant into a sealable container. Coolant should be reused unless it is contaminated or several years old.

  2. Disconnect the heater hoses from the heater core tubes and plug hoses.
  3. Remove the five nuts that secure the blower motor housing to the firewall.
  4. Pull the housing away from the firewall. Disconnect any wire harness plugs which inhibit the housing.
  5. Remove the remaining nuts which secure the heater air plenum (inside the passenger compartment) to the firewall.
  6. In the passenger compartment, remove the instrument panel. Refer to Section 10.
  7. Pull the heater air plenum rearward from the firewall and remove it from the vehicle.
  8. Remove the heater core from the heater air plenum.
  9. Inspect all air seals on the components and firewall and replace any that are damaged.

    To install:

  10. Install the heater core into the air plenum chamber.
  11. Position the heater air plenum against the firewall from the passenger compartment.
  12. Under the hood, install the plenum retaining nuts.
  13. Install the blower motor housing to the firewall and install the attaching nuts.
  14. Connect the heater hoses to the heater core tubes at the dash panel in the engine compartment. Do not over-tighten the hose clamps.
  15. Install the instrument panel.
  16. Check the coolant level and add coolant as required. Connect the negative battery cable.
  17. Start the engine and check the system for coolant leaks.
MPV Models
FRONT HEATER CORE
  1. Disconnect the negative battery cable.
  2. Drain the engine cooling system.
  3. Remove the instrument panel. Refer to Section 10.
  4. Disconnect the heater hoses at the core tubes.
  5. Unbolt and remove the instrument panel brace.

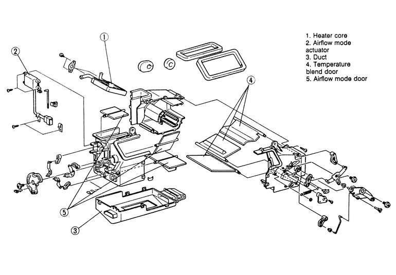
    Fig. 3: Heater unit components

  6. Support the heater case and remove the mounting nuts.
  7. Carefully lift off the case and remove it from the vehicle. Be Careful! There will be a substantial amount of coolant left in the core.
  8. Lift out the heater core.
  9. Installation is the reverse of removal. Use new sealer around the case and core. Refill the cooling system.
  10. Connect the negative battery cable. Check for leaks.
REAR HEATER CORE
  1. Disconnect the negative battery cable.
  2. Set the rear heater temperature control knob to WARM.
  3. Drain the engine coolant.
  4. Remove the driver's seat.
  5. Disconnect the heater hoses at the core tubes.
  6. Disconnect the wiring at the connector.
  7. Remove the mounting bolts and lift out the heater case.
  8. Separate the case halves and lift out the core.
  9. Installation is the reverse of removal. Replace any damaged sealer.
  10. Connect the negative battery cable. Check for leaks.

Previous Next