Previous Next

SWITCHES AND RELAYS

Switches are used in electrical circuits to control the passage of current. The most common use is to open and close circuits between the battery and the various electric devices in the system. Switches are rated according to the amount of amperage they can handle. If a sufficient amperage rated switch is not used in a circuit, the switch could overload and cause damage.

Fig. 1: The underhood fuse and relay panel usually contains fuses, relays, flashers and fusible links

Some electrical components which require a large amount of current to operate use a special switch called a relay. Since these circuits carry a large amount of current, the thickness of the wire in the circuit is also greater. If this large wire were connected from the load to the control switch on the dashboard, the switch would have to carry the high amperage load and the dash would be twice as large to accommodate the increased size of the wiring harness. To prevent these problems, a relay is used.

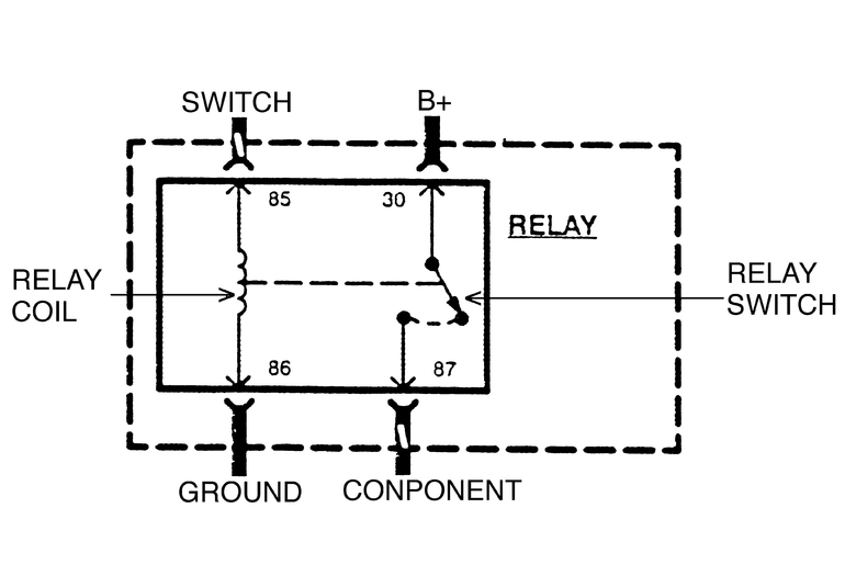
Relays are composed of a coil and a switch. These two components are linked together so that when one operates, the other operates at the same time. The large wires in the circuit are connected from the battery to one side of the relay switch and from the opposite side of the relay switch to the load. Most relays are normally open, preventing current from passing through the circuit. Additional, smaller wires are connected from the relay coil to the control switch for the circuit and from the opposite side of the relay coil to ground. When the control switch is turned on, it grounds the smaller wire to the relay coil, causing the coil to operate. The coil pulls the relay switch closed, sending power to the component without routing it through the inside of the vehicle. Some common circuits which may use relays are the horn, headlights, starter, electric fuel pump and rear window defogger systems.

Fig. 2: Relays are composed of a coil and a switch. These two components are linked together so that when one operates, the other operates at the same time. The large wires in the circuit are connected from the battery to one side of the relay switch (B+) and from the opposite side of the relay switch to the load (component). Smaller wires are connected from the relay coil to the control switch for the circuit and from the opposite side of the relay coil to ground.

Previous Next