Previous Next

Shock Absorbers

REMOVAL & INSTALLATION

NOTE: Low pressure gas shocks are charged with Nitrogen gas. Do not attempt to open, puncture or apply heat to them. Prior to installing a new shock absorber, hold it upright and extend it fully. Invert it and fully compress and extend it at least 3 times. This will bleed trapped air.

Navajo and 1994–97 B Series Pick-up

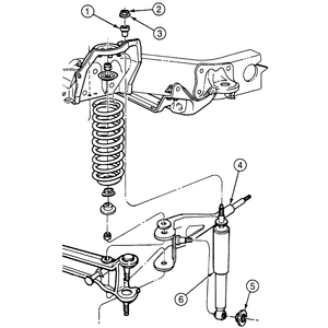
Fig. 1: Exploded view of the front shock absorber

  1. Raise the vehicle, as required to provide additional access and remove the nut attaching the shock absorber to the lower mounting stud on the radius arm.
  2. Slide the lower shock absorber end off of the stud.
  3. Remove the nut, washer and insulator from the upper shock absorber mount at the frame bracket and remove the shock absorber.

    NOTE: A second wrench may be needed to hold the shock absorber from turning while removing the upper attaching nut.

    Fig. 2: To remove the front shock absorber, remove the lower radius arm shock retaining nut . . .

    Fig. 3: . . . then pull the lower shock mount from the stud

    Fig. 4: Next, unbolt the upper shock mount using a second wrench on the mount stud to keep it from spinning . . .

    Fig. 5: . . . then pull the shock assembly from the upper spring mount

    To install:

  4. Position the washer and insulator on the shock absorber rod and position the shock absorber to the upper frame bracket mount.
  5. Position the insulator and washer on the shock absorber rod and install the attaching nut loosely.
  6. Position the shock absorber to the lower mounting stud and install the attaching nut loosely.
  7. Tighten the lower shock attaching bolts to 39–53 ft. lbs. (53–72 Nm), and the upper shock attaching bolts to 25–34 ft. lbs. (34–46 Nm).
1998 B Series Pick-up

Fig. 6: Exploded view of the 1998 B Series Pick-up 4WD front shock absorber — rear wheel drive similar

  1. Raise the front of the vehicle and place jackstands under the lower control arms. Ensure that the lower shock attaching nuts do not become obstructed by the jackstands.
  2. Remove the upper shock-to-frame attaching nut, washer and insulator assembly.
  3. Remove the two lower shock-to-control arm attaching nuts.
  4. Slightly compress the shock absorber by hand and remove it from the vehicle.

    To install:

  5. Position the lower washer and insulator on the shock absorber rod and position the shock absorber to the upper frame bracket mount.
  6. Position the upper insulator and washer on the shock absorber rod and install the attaching nut loosely.
  7. Position the lower shock absorber mounting studs into the control arm and install the attaching nuts loosely.
  8. Tighten the lower shock attaching nuts to 15–21 ft. lbs. (21–29 Nm), and the upper shock attaching bolts to 30–40 ft. lbs. (40–55 Nm).

Previous Next