Previous Next

REMOVAL & INSTALLATION

Navajo and B Series Pick-up

Fig. 1: Front end of the 4-wheel ABS system

  1. Disconnect the battery ground cable.
  2. Unplug the 8-pin connector from the unit, and the 4-pin connector from the pump motor.
  3. Disconnect the 5 inlet and outlet tubes from the unit. Immediately plug the ports.
  4. Remove the 3 unit attaching nuts and lift out the unit.
  5. Installation is the reverse of removal. Torque the mounting nuts to 12-18 ft. lbs. and the tube fittings to 10-18 ft. lbs.

    NOTE: After reconnecting the battery, it may take 10 miles or more of driving for the Powertrain Control Module to relearn its driveability codes.

  6. Bleed the brakes.
MPV

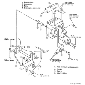
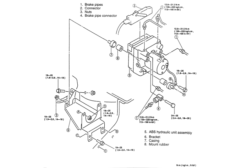
Fig. 2: Exploded view of the hydraulic control unit mounting

Fig. 3: Hydraulic control unit and electronic control module components

  1. Disconnect the negative battery cable.
  2. Disconnect and plug the brake lines from the hydraulic controil unit.
  3. Disengage the wiring harness connector from the control unit.
  4. Remove the hydraulic/electronic control unit-to-mounting bracket nuts and remove the unit out of the vehicle.
  5. Remove the mounting screws, then separate the hydraulic control unit from the electronic control module.
  6. Installation is the reverse of the removal procedure.
  7. Tighten the mounting bolts and nuts. Bleed the brakes.

Previous Next