Previous Next

Door Locks

REMOVAL & INSTALLATION

Door Latch

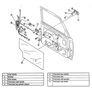
Fig. 1: Door latch assembly — B Series Pick-up

Fig. 2: Door latch assembly — Navajo

Fig. 3: Door latch assembly — MPV

  1. Remove the door trim panel and watershield.
  2. Disconnect the rods from the handle and lock cylinder, and from the remote control assembly.
  3. Remove the latch assembly attaching screws and remove the latch from the door.
  4. Installation is the reverse of removal.
Door Lock Cylinder (Side doors and tailgate)
  1. Open the window.
  2. Remove the trim panel and watershield.
  3. Disconnect the actuating rod from the lock control link clip.
  4. Slide the retainer away from the lock cylinder.
  5. Remove the cylinder from the door.
  6. Use a new gasket when installing to ensure a watertight fit.
  7. Lubricate the cylinder with suitable oil recommended for this application.

Previous Next