DTC P0122 [ZJ, Z6]


B3E010200100W09

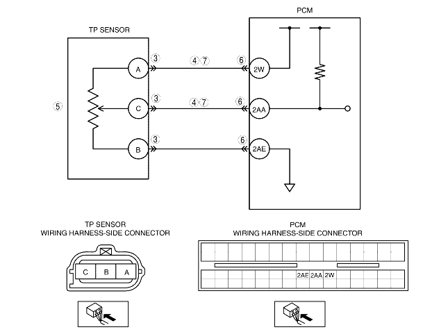
DTC P0122

TP sensor circuit low input

DETECTION CONDITION

• If the PCM detects that the TP sensor voltage at PCM terminal 2AA is less than 0.10 V while the engine is running, the PCM determines that the TP sensor circuit has a malfunction.
Diagnostic support note
• This is a continuous monitor (CCM).
• The MIL illuminates if the PCM detects the above malfunction condition in the first drive cycle.
• PENDING CODE is available if the PCM detects the above malfunction condition.
• FREEZE FRAME DATA is available.
• The DTC is stored in the PCM memory.

POSSIBLE CAUSE

• TP sensor malfunction
• Connector or terminal malfunction
• Open circuit in wiring harness between TP sensor terminal A and PCM terminal 2W
• Short to GND in wiring harness between TP sensor terminal A and PCM terminal 2W
• Open circuit in wiring harness between TP sensor terminal C and PCM terminal 2AA
• Short to GND in wiring harness between TP sensor terminal C and PCM terminal 2AA
• PCM malfunction

Diagnostic procedure

STEP

INSPECTION

ACTION

1
VERIFY FREEZE FRAME DATA HAS BEEN RECORDED
• Has FREEZE FRAME DATA been recorded?
Yes
Go to the next step.
No
Record the FREEZE FRAME DATA on the repair order, then go to the next step.
2
VERIFY RELATED REPAIR INFORMATION AVAILABILITY
• Verify related service repair information availability.
• Is any related repair information available?
Yes
Perform repair or diagnosis according to the available repair information.
• If the vehicle is not repaired, go to the next step.
No
Go to the next step.
3
INSPECT TP SENSOR CONNECTOR FOR POOR CONNECTION
• Turn the ignition switch off.
• Disconnect the TP sensor connector.
• Inspect for poor connection (such as damaged/pulled-out pins, corrosion).
• Is there any malfunction?
Yes
Repair or replace the terminal, then go to Step 8.
No
Go to the next step.
4
INSPECT TP SENSOR CIRCUIT FOR SHORT TO GND
• Turn the ignition switch off.
• Inspect for continuity between the following terminals:
- TP sensor terminal A (wiring harness-side) and body GND
- TP sensor terminal C (wiring harness-side) and body GND
• Is there continuity?
Yes
Repair or replace the wiring harness for a possible short to GND, then go to Step 8.
No
Go to the next step.
5
INSPECT TP SENSOR
• Inspect the TP sensor.
• Is there any malfunction?
Yes
Replace the TP sensor, then go to Step 8.
No
Go to the next step.
6
INSPECT PCM CONNECTOR FOR POOR CONNECTION
• Turn the ignition switch off.
• Disconnect the PCM connector.
• Inspect for poor connection (such as damaged/pulled-out pins, corrosion).
• Is there any malfunction?
Yes
Repair or replace the terminal, then go to Step 8.
No
Go to the next step.
7
INSPECT TP SENSOR CIRCUIT FOR OPEN CIRCUIT
• Turn the ignition switch off.
• Inspect for continuity between the following terminals:
- TP sensor terminal A (wiring harness-side) and PCM terminal 2W (wiring harness-side)
- TP sensor terminal C (wiring harness-side) and PCM terminal 2AA (wiring harness-side)
• Is there continuity?
Yes
Go to the next step.
No
Repair or replace the wiring harness for a possible open circuit, then go to the next step.
8
VERIFY TROUBLESHOOTING OF DTC P0122 COMPLETED
• Make sure to reconnect all disconnected connectors.
• Clear the DTC from the PCM memory using the WDS or equivalent.
• Start the engine.
• Is the same DTC present?
Yes
Replace the PCM, then go to the next step.
No
Go to the next step.
9
VERIFY AFTER REPAIR PROCEDURE
• Perform the "AFTER REPAIR PROCEDURE".
• Are any DTCs present?
Yes
Go to the applicable DTC inspection.
No
DTC troubleshooting completed.