DTC P0340 [ZJ, Z6]


B3E010200300W06

DTC P0340

CMP sensor circuit problem

DETECTION CONDITION

• The PCM monitors the input voltage from the CMP sensor when the engine is running. If the PCM does not receive the input voltage from the CMP sensor for 12 consecutive engine rotations, the PCM determines that there is a CKP sensor circuit problem.
Diagnostic support note
• This is a continuous monitor (CCM).
• The MIL illuminates if the PCM detects the above malfunction condition in the first drive cycle.
• PENDING CODE is available if the PCM detects the above malfunction condition.
• FREEZE FRAME DATA is available.
• The DTC is stored in the PCM memory.

POSSIBLE CAUSE

• CMP sensor malfunction
• Connector or terminal malfunction
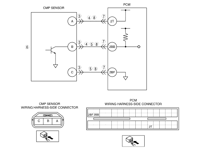
• Open circuit in wiring harness between CMP sensor terminal A and PCM terminal 2T
• Short to GND in wiring harness between CMP sensor terminal A and PCM terminal 2T
• Open circuit in wiring harness between CMP sensor terminal B and PCM terminal 2BB
• Short to power supply in wiring harness between CMP sensor terminal B and PCM terminal 2BB
• Short to GND in wiring harness between CMP sensor terminal B and PCM terminal 2BB
• Open circuit in wiring harness between CMP sensor terminal C and PCM terminal 2BF
• Short to power supply in wiring harness between CMP sensor terminal C and PCM terminal 2BF
• PCM malfunction

Diagnostic procedure

STEP

INSPECTION

ACTION

1
VERIFY FREEZE FRAME DATA HAS BEEN RECORDED
• Has FREEZE FRAME DATA been recorded?
Yes
Go to the next step.
No
Record the FREEZE FRAME DATA on the repair order, then go to the next step.
2
VERIFY RELATED REPAIR INFORMATION AVAILABILITY
• Verify related service repair information availability.
• Is any related repair information available?
Yes
Perform repair or diagnosis according to the available repair information.
• If the vehicle is not repaired, go to the next step.
No
Go to the next step.
3
INSPECT CMP SENSOR CONNECTOR FOR POOR CONNECTION
• Turn the ignition switch off.
• Disconnect the CMP sensor connector.
• Inspect for poor connection (such as damaged/pulled-out pins, corrosion).
• Is there any malfunction?
Yes
Repair or replace the terminal, then go to Step 9.
No
Go to the next step.
4
INSPECT CMP SENSOR CIRCUIT FOR SHORT TO GND
• Turn the ignition switch off.
• Inspect for continuity between the following terminals:
- CMP sensor terminal A (wiring harness-side) and body GND
- CMP sensor terminal B (wiring harness-side) and body GND
• Is there continuity?
Yes
Repair or replace the wiring harness for a possible short to GND, then go to Step 9.
No
Go to the next step.
5
INSPECT CMP SENSOR CIRCUIT FOR SHORT TO POWER SUPPLY
• Turn the ignition switch to the ON position (Engine off).
• Measure the voltage between the following terminals:
- CMP sensor terminal B (wiring harness-side) and body GND
- CMP sensor terminal C (wiring harness-side) and body GND
• Is the voltage B+?
Yes
Repair or replace the wiring harness for a possible short to power supply, then go to Step 9.
No
Go to the next step.
6
INSPECT CMP SENSOR
• Inspect the CMP sensor.
• Is there any malfunction?
Yes
Replace the CMP sensor, then go to Step 9.
No
Go to the next step.
7
INSPECT PCM CONNECTOR FOR POOR CONNECTION
• Turn the ignition switch off.
• Disconnect the PCM connector.
• Inspect for poor connection (such as damaged/pulled-out pins, corrosion).
• Is there any malfunction?
Yes
Repair or replace the terminal, then go to Step 9.
No
Go to the next step.
8
INSPECT CMP SENSOR CIRCUIT FOR OPEN CIRCUIT
• Turn the ignition switch off.
• Inspect for continuity between the following terminals:
- CMP sensor terminal A (wiring harness-side) and PCM terminal 2T (wiring harness-side)
- CMP sensor terminal B (wiring harness-side) and PCM terminal 2BB (wiring harness-side)
- CMP sensor terminal C (wiring harness-side) and PCM terminal 2BF (wiring harness-side)
• Is there continuity?
Yes
Go to the next step.
No
Repair or replace the wiring harness for a possible open circuit, then go to the next step.
9
VERIFY TROUBLESHOOTING OF DTC P0340 COMPLETED
• Make sure to reconnect all disconnected connectors.
• Clear the DTC from the PCM memory using the WDS or equivalent.
• Start the engine.
• Run the engine when the MAF PID is more than 1.43 g/s {0.189 lb/min}.
• Is the same DTC present?
Yes
Replace the PCM, then go to the next step.
No
Go to the next step.
10
VERIFY AFTER REPAIR PROCEDURE
• Perform the "AFTER REPAIR PROCEDURE".
• Are any DTCs present?
Yes
Go to the applicable DTC inspection.
No
DTC troubleshooting completed.