DTC P0403 [ZJ, Z6]


B3E010200400W01

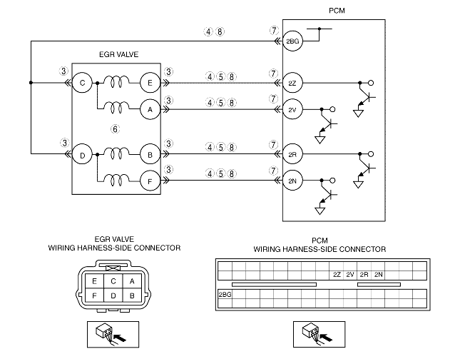
DTC P0403

EGR control circuit problem

DETECTION CONDITION

• The PCM monitors the input voltage from the EGR valve. If the voltages at PCM terminals 2Z, 2V, 2R and/or 2N remain low or high, the PCM determines that the there is a EGR control circuit problem.
Diagnostic support note
• This is a continuous monitor (CCM).
• The MIL illuminates if the PCM detects the above malfunction condition in two consecutive drive cycles or in one drive cycle while the DTC for the same malfunction has been stored in the PCM.
• PENDING CODE is available if the PCM detects the above malfunction condition during the first drive cycle.
• FREEZE FRAME DATA is available.
• The DTC is stored in the PCM memory.

POSSIBLE CAUSE

• EGR valve malfunction
• Connector or terminal malfunction
• Open circuit in wiring harness between EGR valve terminal C and PCM terminal 2BG
• Short to GND in wiring harness between EGR valve terminal C and PCM terminal 2BG
• Open circuit in wiring harness between EGR valve terminal D and PCM terminal 2BG
• Short to GND in wiring harness between EGR valve terminal D and PCM terminal 2BG
• Open circuit in wiring harness between EGR valve terminal E and PCM terminal 2Z
• Short to power supply in wiring harness between EGR valve terminal E and PCM terminal 2Z
• Short to GND in wiring harness between EGR valve terminal E and PCM terminal 2Z
• Open circuit in wiring harness between EGR valve terminal A and PCM terminal 2V
• Short to power supply in wiring harness between EGR valve terminal A and PCM terminal 2V
• Short to GND in wiring harness between EGR valve terminal A and PCM terminal 2V
• Open circuit in wiring harness between EGR valve terminal B and PCM terminal 2R
• Short to power supply in wiring harness between EGR valve terminal B and PCM terminal 2R
• Short to GND in wiring harness between EGR valve terminal B and PCM terminal 2R
• Open circuit in wiring harness between EGR valve terminal F and PCM terminal 2N
• Short to power supply in wiring harness between EGR valve terminal F and PCM terminal 2N
• Short to GND in wiring harness between EGR valve terminal F and PCM terminal 2N
• PCM malfunction

Diagnostic procedure

STEP

INSPECTION

ACTION

1
VERIFY FREEZE FRAME DATA HAS BEEN RECORDED
• Has FREEZE FRAME DATA been recorded?
Yes
Go to the next step.
No
Record the FREEZE FRAME DATA on the repair order, then go to the next step.
2
VERIFY RELATED REPAIR INFORMATION AVAILABILITY
• Verify related service repair information availability.
• Is any related repair information available?
Yes
Perform repair or diagnosis according to the available repair information.
• If the vehicle is not repaired, go to the next step.
No
Go to the next step.
3
INSPECT EGR VALVE CONNECTOR FOR POOR CONNECTION
• Turn the ignition switch off.
• Disconnect the EGR valve connector.
• Inspect for poor connection (such as damaged/pulled-out pins, corrosion).
• Is there any malfunction?
Yes
Repair or replace the terminal, then go to Step 9.
No
Go to the next step.
4
INSPECT EGR VALVE CIRCUIT FOR SHORT TO GND
• Turn the ignition switch off.
• Inspect for continuity between the following terminals:
- EGR valve terminal C (wiring harness-side) and body GND
- EGR valve terminal D (wiring harness-side) and body GND
- EGR valve terminal E (wiring harness-side) and body GND
- EGR valve terminal A (wiring harness-side) and body GND
- EGR valve terminal B (wiring harness-side) and body GND
- EGR valve terminal F (wiring harness-side) and body GND
• Is there continuity?
Yes
Repair or replace wiring harness for short to GND, then go to Step 9.
No
Go to the next step.
5
INSPECT EGR VALVE CONTROL CIRCUIT FOR SHORT TO POWER SUPPLY
• Turn the ignition switch to the ON position (Engine off).
• Measure the voltage between the following terminals:
- EGR valve terminal E (wiring harness-side) and body GND
- EGR valve terminal A (wiring harness-side) and body GND
- EGR valve terminal B (wiring harness-side) and body GND
- EGR valve terminal F (wiring harness-side) and body GND
• Is the voltage B+?
Yes
Repair or replace wiring harness for short to power supply, then go to Step 9.
No
Go to the next step.
6
INSPECT EGR VALVE
• Inspect the EGR valve.
• Is there any malfunction?
Yes
Replace the EGR valve, then go to Step 9.
No
Go to the next step.
7
INSPECT PCM CONNECTOR FOR POOR CONNECTION
• Turn the ignition switch off.
• Disconnect the PCM connector.
• Inspect for poor connection (such as damaged/pulled-out pins, corrosion).
• Is there any malfunction?
Yes
Repair or replace the terminal, then go to Step 9.
No
Go to the next step.
8
INSPECT EGR VALVE CIRCUIT FOR OPEN CIRCUIT
• Turn the ignition switch off.
• Inspect for continuity between the following terminals:
- EGR valve terminal C (wiring harness-side) and PCM terminal 2BG (wiring harness-side)
- EGR valve terminal D (wiring harness-side) and PCM terminal 2BG (wiring harness-side)
- EGR valve terminal E (wiring harness-side) and PCM terminal 2Z (wiring harness-side)
- EGR valve terminal A (wiring harness-side) and PCM terminal 2V (wiring harness-side)
- EGR valve terminal B (wiring harness-side) and PCM terminal 2R (wiring harness-side)
- EGR valve terminal F (wiring harness-side) and PCM terminal 2N (wiring harness-side)
• Is there continuity?
Yes
Go to the next step.
No
Repair or replace the wiring harness for a possible open circuit, then go to the next step.
9
VERIFY TROUBLESHOOTING OF DTC P0403 COMPLETED
• Make sure to reconnect all disconnected connectors.
• Clear the DTC from the PCM memory using the WDS or equivalent.
• Start the engine.
• Is the PENDING CODE for this DTC present?
Yes
Replace the PCM, then go to the next step.
No
Go to the next step.
10
VERIFY AFTER REPAIR PROCEDURE
• Perform the "AFTER REPAIR PROCEDURE".
• Are any DTCs present?
Yes
Go to the applicable DTC inspection.
No
DTC troubleshooting completed.