DTC P0103 [LF]


B3E010201084W07

DTC P0103

MAF sensor circuit high input

DETECTION CONDITION

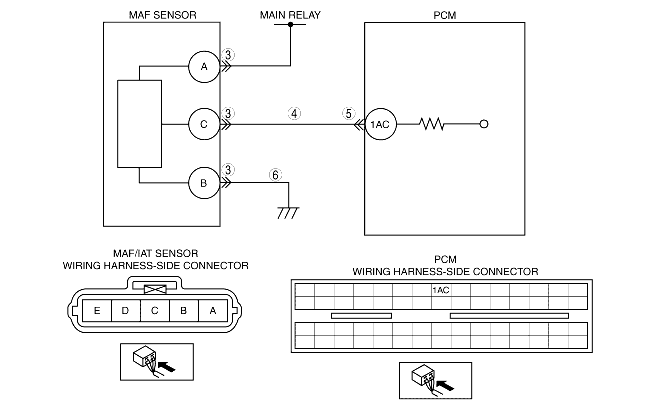
• The PCM monitors the input voltage from the MAF sensor when the engine running. If the input voltage at PCM terminal 1AC is above 4.9 V, the PCM determines that the MAF circuit has malfunction.
Diagnostic support note
• This is a continuous monitor (CCM).
• The MIL illuminates if the PCM detects the above malfunction condition during first drive cycle.
• PENDING CODE is available if the PCM detects the above malfunction condition.
• FREEZE FRAME DATA is available.
• The DTC is stored in the PCM memory.

POSSIBLE CAUSE

• MAF sensor malfunction
• Connector or terminal malfunction
• Short to power supply in wiring harness between MAF/IAT sensor terminal C and PCM terminal 1AC
• Open circuit in MAF/IAT sensor ground circuit

Diagnostic procedure

STEP

INSPECTION

ACTION

1
VERIFY FREEZE FRAME DATA HAS BEEN RECORDED
• Has FREEZE FRAME DATA been recorded?
Yes
Go to the next step.
No
Record the FREEZE FRAME DATA on the repair order, then go to the next step.
2
VERIFY RELATED REPAIR INFORMATION AVAILABILITY
• Verify related service repair information availability.
• Is any related repair information available?
Yes
Perform repair or diagnosis according to the available repair information.
• If the vehicle is not repaired, go to the next step.
No
Go to the next step.
3
INSPECT POOR CONNECTION OF MAF SENSOR CONNECTOR
• Turn the ignition switch to off.
• Disconnect the MAF/IAT sensor connector.
• Inspect for poor connection (such as damaged/pulled-out pins, corrosion.)
• Is there any malfunction?
Yes
Repair or replace the terminals, then go to Step 7.
No
Go to the next step.
4
INSPECT MAF SIGNAL CIRCUIT FOR SHORT TO POWER CIRCUIT
• Turn the ignition switch to the ON position (Engine off).
• Measure the voltage between MAF/IAT sensor terminal C (wiring harness-side) and body ground.
• Is the voltage 0 V?
Yes
Go to the next step.
No
Repair or replace the wiring harness, then go to Step 7.
5
INSPECT POOR CONNECTION OF PCM CONNECTOR
• Turn the ignition switch off.
• Disconnect the PCM connector.
• Inspect for poor connection (such as damaged/pulled-out pins, corrosion).
• Is there any malfunction?
Yes
Repair the terminal, then go to Step 7.
No
Go to the next step.
6
INSPECT MAF SENSOR GROUND CIRCUIT FOR OPEN CIRCUIT
• Inspect for continuity between MAF/IAT sensor terminal B (wiring harness-side) and body ground.
• Is there continuity?
Yes
Replace MAF/IAT sensor, then go to the next step.
No
Repair or replace the wiring harness, then go to the next step.
7
VERIFY TROUBLESHOOTING OF DTC P0103 COMPLETED
• Make sure to reconnect all disconnected connectors.
• Clear the DTC from the memory using the WDS or equivalent.
• Start the engine.
• Is the same DTC present?
Yes
Replace the PCM, then go to the next step.
No
Go to the next step.
8
VERIFY AFTER REPAIR PROCEDURE
• Perform the "After Repair Procedure".
• Are any DTC present?
Yes
Go to the applicable DTC troubleshooting.
No
Troubleshooting completed.