DTC P0107 [LF]


B3E010201084W08

DTC P0107

MAP sensor circuit low input

DETECTION CONDITION

• The PCM monitors the input voltage from the MAP sensor when the intake air temperature is above 10 °C {50 °F}. If the input voltage at PCM terminal 2AL is below 0.1V, the PCM determines that the MAP sensor circuit has a malfunction.
Diagnostic support note
• This is a continuous monitor (CCM).
• The MIL illuminates if the PCM detects the above malfunction condition during first drive cycle.
• PENDING CODE is available if the PCM detects the above malfunction condition.
• FREEZE FRAME DATA is available.
• The DTC is stored in the PCM memory.

POSSIBLE CAUSE

• MAP sensor malfunction
• Connector or terminal malfunction
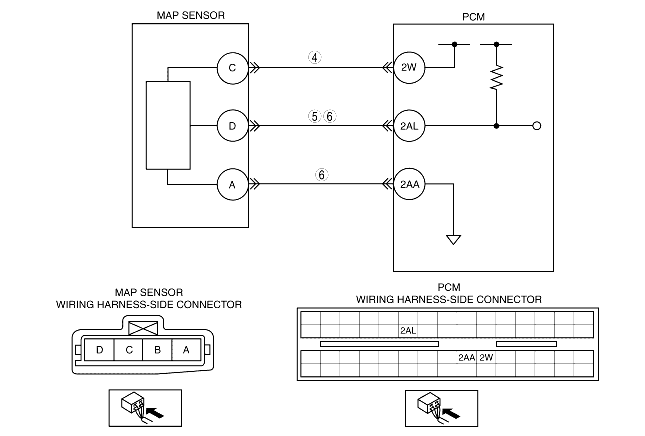
• Short to ground in wiring harness between MAP sensor terminal D and PCM terminal 2AL
• Open circuit in wiring harness between MAP sensor terminal C and PCM terminal 2W
• MAP sensor signal circuit and MAP sensor ground circuit are shorted each other
• PCM malfunction

Diagnostic procedure

STEP

INSPECTION

ACTION

1
VERIFY FREEZE FRAME DATA HAS BEEN RECORDED
• Has FREEZE FRAME DATA been recorded?
Yes
Go to the next step.
No
Record the FREEZE FRAME DATA on the repair order, then go to the next step.
2
VERIFY RELATED REPAIR INFORMATION AVAILABILITY
• Verify related service repair information availability.
• Is any related repair information available?
Yes
Perform repair or diagnosis according to the available repair information.
• If the vehicle is not repaired, go to the next step.
No
Go to the next step.
3
VERIFY MAP PID WHEN MAP SENSOR CONNECTOR IS DISCONNECTED
• Disconnect the MAP sensor connector.
• Connect the WDS or equivalent to DLC-2.
• Access MAP PID.
• Is the voltage above 4.9 V?
Yes
Go to the next step.
No
Go to Step 5.
4
INSPECT POWER SUPPLY CIRCUIT VOLTAGE AT MAP SENSOR CONNECTOR
Note
• If DTC P0122 and P2228 are also retrieved with P0107, go to CONSTANT VOLTAGE troubleshooting procedure.
• Turn the ignition switch to the ON position (Engine off).
• Measure the voltage between MAP sensor terminal C (wiring harness-side) and body ground.
• Is the voltage within 4.5- 5.5 V?
Yes
Inspect for poor connection at MAP sensor terminal C (wiring harness-side).
• Repair or replace the terminal if necessary.
• If there is no malfunction, replace the MAP sensor.
Then go to Step 7.
No
Inspect for open circuit in wiring harness between PCM terminal 2W (wiring harness-side) and MAP sensor terminal C (wiring harness-side).
Repair or replace suspected wiring harness, then go to Step 7.
5
INSPECT MAP SENSOR SIGNAL CIRCUIT FOR SHORT TO GROUND
• Turn the ignition switch off.
• Disconnect the PCM connector.
• Inspect continuity between MAP sensor terminal D (wiring harness-side) and body ground.
• Is there continuity?
Yes
Repair or replace the wiring harness, then go to Step 7.
No
Go to the next step.
6
INSPECT MAP SENSOR SIGNAL AND GROUND CIRCUIT FOR SHORT EACH OTHER
• Inspect for continuity between MAP sensor terminals D and A (wiring harness-side).
• Is there continuity?
Yes
Repair or replace the wiring harness, then go to the next step.
No
Go to the next step.
7
VERIFY TROUBLESHOOTING OF DTC P0107 COMPLETED
• Make sure to reconnect all disconnected connectors.
• Turn the ignition switch to the ON position (Engine off).
• Clear the DTC from the memory using the WDS or equivalent.
• Start the engine.
• Is the same DTC present?
Yes
Replace the PCM, then go to the next step.
No
Go to the next step.
8
VERIFY AFTER REPAIR PROCEDURE
• Perform the "After Repair Procedure".
• Are any DTC present?
Yes
Go to the applicable DTC troubleshooting.
No
Troubleshooting completed.