DTC P2089 [ZJ, Z6]


B3E010202000W09

DTC P2089

Variable valve timing control circuit high

DETECTION CONDITION

• If the PCM detects that the OCV drive current is as specified or more when the OCV control duty target is 3 % or less, the PCM determines that the variable valve timing control circuit high.
Diagnostic support note
• This is a continuous monitor (CCM).
• The MIL illuminates if the PCM detects the above malfunction condition in the first drive cycle.
• PENDING CODE is available if the PCM detects the above malfunction condition.
• FREEZE FRAME DATA is available.
• The DTC is stored in the PCM memory.

POSSIBLE CAUSE

• OCV circuit malfunction
• Connector or terminal malfunction
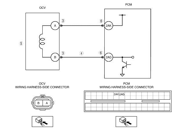
• Short to power supply in wiring harness between OCV terminal B and PCM terminal 2AG
• PCM malfunction

Diagnostic procedure

STEP

INSPECTION

ACTION

1
VERIFY FREEZE FRAME DATA HAS BEEN RECORDED
• Has FREEZE FRAME DATA been recorded?
Yes
Go to the next step.
No
Record the FREEZE FRAME DATA on the repair order, then go to the next step.
2
VERIFY RELATED REPAIR INFORMATION AVAILABILITY
• Verify related service repair information availability.
• Is any related repair information available?
Yes
Perform repair or diagnosis according to the available repair information.
• If the vehicle is not repaired, go to the next step.
No
Go to the next step.
3
INSPECT OCV CONNECTOR FOR POOR CONNECTION
• Turn the ignition switch off.
• Disconnect the OCV connector.
• Inspect for poor connection (such as damaged/pulled-out pins, and corrosion).
• Is there any malfunction?
Yes
Repair or replace the terminal, then go to Step 7.
No
Go to the next step.
4
INSPECT OCV CONTROL CIRCUIT FOR SHORT TO POWER SUPPLY
• Turn the ignition switch to the ON position (Engine off).
• Measure the voltage between OCV terminal B (wiring harness-side) and body GND.
• Is the voltage B+?
Yes
Repair or replace the wiring harness for a possible short to power supply, then go to Step 7.
No
Go to the next step.
5
INSPECT OCV
• Inspect the OCV.
• Is there any malfunction?
Yes
Replace the OCV, then go to Step 7.
No
Go to the next step.
6
INSPECT PCM CONNECTOR FOR POOR CONNECTION
• Turn the ignition switch off.
• Disconnect the PCM connector.
• Inspect for poor connection (such as damaged/pulled-out pins, and corrosion).
• Is there any malfunction?
Yes
Repair or replace the terminal, then go to the next step.
No
Go to the next step.
7
VERIFY TROUBLESHOOTING OF DTC P2089 COMPLETED
• Make sure to reconnect all disconnected connectors.
• Clear the DTC from the PCM memory using the WDS or equivalent.
• Start the engine.
• Is the same DTC present?
Yes
Replace the PCM, then go to the next step.
No
Go to the next step.
8
VERIFY AFTER REPAIR PROCEDURE
• Perform the "AFTER REPAIR PROCEDURE".
• Are any DTCs present?
Yes
Go to the applicable DTC inspection.
No
DTC troubleshooting completed.