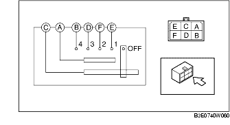
FAN SWITCH INSPECTION


B3E074061060W03

1. Remove the climate control unit.

2. Verify that the continuity between the fan switch terminals is as indicated in the table.

• If there is any malfunction, replace the fan switch.