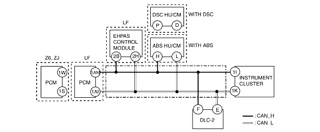
DTC U0073, U2012


B3E090255430W04

DTC

U0073

PCM

EHPAS control module

Instrument cluster

CAN system communication error

U2012

DSC HU/CM

ABS HU/CM

DETECTION CONDITION

Warning
• Detection conditions are for understanding the DTC outline before performing an inspection. Performing an inspection according to only detection conditions may cause injury due to operating error, or damage the system. When performing an inspection, always follow the inspection procedure.
• CAN system related harness malfunction
• Related module communication error

POSSIBLE CAUSE

• Open or short circuit in wiring harness
• Malfunction of connectors between PCM, EHPAS control module, DSC HU/CM, ABS HU/CM and instrument cluster
• PCM malfunction
• EHPAS control module malfunction
• DSC HU/CM or ABS HU/CM malfunction
• Instrument cluster malfunction

Diagnostic procedure

STEP

INSPECTION

ACTION

1
INSPECT CAN SYSTEM-RELATED DTC
• Are any DTCs other than the following displayed?
- U0073
- U2012
Yes
Determine malfunctioning part in CAN system.
No
Go to the next step.
2
INSPECT CONNECTOR
• Inspect the connector of the module that outputs the DTC.
• Is it normal?
Yes
Go to the next step.
No
Repair or replace the connector, then go to Step 4.
3
INSPECT WIRING HARNESSES
• Inspect for the following malfunctioning wiring harnesses:
- Short to GND
- Short to power supply
- Twisted pair short each other
- Open circuit
• Is there any malfunction?
Yes
Repair or replace the wiring harness, then go to the next step.
No
Go to the next step.
4
VERIFY TROUBLESHOOTING COMPLETED
• Make sure to reconnect all disconnected connectors.
• Clear the DTC using the WDS or equivalent.
• Is the same DTC present?
Yes
Replace the module that outputs the DTC, then retry this step.
No
Troubleshooting completed.