POWER WINDOW MOTOR INSPECTION


B3E091259560W02

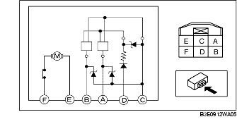
1. Apply battery positive voltage and connect ground to power window motor terminals E and F, and then inspect the power window motor operation.

• If the power window motor does not operate as indicated in the table, replace it.

Operation

Terminal

Front: F

Rear: E

Front: E

Rear: F

Open
GND
B+
Closed
B+
GND

2. Connect battery positive voltage to power window motor terminal D and connect terminal C to ground.

3. Operate the power window motor and measure the voltage at terminals A and B.

• If there is any malfunction, replace the power window motor.
Voltage
Pulse: Max. 12V, Min. 0 V