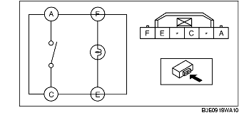
HAZARD WARNING SWITCH INSPECTION


B3E091866401W02

1. Verify that the continuity between the hazard switch terminals is as indicated in the table.

• If not as indicated in the table, replace the hazard warning switch.