RELAY INSPECTION


B3E092167730W02

Relay type

Terminal type

Part name

4 terminals
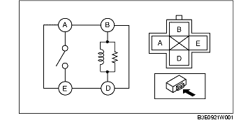
Type A
• Front fog light relay
• Running light relay
• A/C relay
• Rear window defroster relay
• Fuel pump relay
• Horn relay
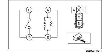
Type B
• Main relay
• Starter relay
• Blower relay
• Headlight cleaner relay

Type A

1. Verify the continuity between the relay terminals.

• If not as indicated in the table, replace the relay.

Type B

1. Verify the continuity between the relay terminals.

• If not as indicated in the table, replace the relay.