Previous Next

Intake Manifold

REMOVAL & INSTALLATION

1990–94 Vehicles
  1. Relieve the fuel system pressure.
  2. Disconnect the negative battery cable.
  3. Drain the cooling system into a suitable container.
  4. Disconnect the accelerator cable, breather hose and air intake hose.
  5. Detach the upper radiator hose, heater hose and water bypass hose.
  6. Remove all vacuum hoses and pipes as necessary, including the brake booster vacuum line.
  7. Disconnect the high pressure fuel line, fuel return hose and remove throttle control cable brackets.
  8. Tag and detach the electrical connectors from the oxygen sensor, coolant temperature sensor, thermo switch, idle speed control connection, EGR temperature sensor, spark plug wires, etc. that may interfere with the manifold removal procedure.
  9. Remove the fuel rail, fuel injectors, pressure regulator and insulators from the engine.
  10. If equipped with 1989–91 engines, remove the distributor from the engine if it passes through the manifold. Matchmark the distributor shaft to the housing and the housing to the head or nearest accessory prior to removal.
  11. If equipped with 2.0L engine, remove the ignition coil. Remove the intake manifold bracket.
  12. Detach the water hose connections at the throttle body, water inlet, and heater assembly.
  13. If the thermostat housing is preventing removal of the intake manifold, remove it.
  14. Detach the vacuum connection at the power brake booster and the PCV valve if still connected.
  15. Remove the intake manifold mounting bolts and remove the intake manifold assembly. Disassemble the manifold from the intake plenum on a work bench if required.

    Fig. 1: Exploded view of the intake manifold mounting — 1990–94 2.0L engines shown, others similar

    To install:

  16. Assemble the intake manifold assembly using all new gaskets. Starting from the center and working outwards, tighten the air intake plenum bolts to 11–14 ft. lbs. (15–19 Nm).
  17. Clean all gasket material from the cylinder head intake mounting surface and intake manifold assembly. Check both surfaces for cracks or other damage. Check the intake manifold water passages and jet air passages for clogging. Clean if necessary.
  18. Install a new intake manifold gasket to the head and install the manifold. Tighten the manifold in a crisscross pattern, starting from the inside and working outwards to 11–14 ft. lbs. (15–19 Nm).
  19. Install the fuel delivery pipe, injectors and pressure regulator from the engine. Tighten the retaining bolts to 7–9 ft. lbs. (10–13 Nm).
  20. Install the thermostat housing, intake manifold brace bracket, distributor and throttle body stay bracket.
  21. Attach or install all hoses, cables and electrical connectors that were removed or disconnected during the removal procedure.
  22. Fill the system with coolant.
  23. Connect the negative battery cable, run the vehicle until the thermostat opens, fill the radiator completely. Check for leaks.
  24. Adjust the accelerator cable. Check and adjust the idle speed as required.
  25. Once the vehicle has cooled, recheck the coolant level.
1995–98 Vehicles
  1. Properly relieve the fuel system pressure.
  2. Disconnect the negative battery cable.
  3. Drain the cooling system into a suitable container.
  4. For 2.0L non-turbo engines, if equipped, remove the auto-cruise reservoir.
  5. For 2.0L turbo and 2.4L engines, disconnect the positive cable, then remove the battery.
  6. Disconnect the air intake and breather hoses.
  7. Detach the accelerator cable connection.

    Fig. 2: Remove the accelerator cable connection

  8. For 2.0L non-turbo engines, detach the connectors from the following components:
    1. MAP sensor

      Fig. 3: Detach the MAP sensor electrical connector

    2. Charge temperature sensor

      Fig. 4: Unplug the charge air temperature electrical connector

    3. Throttle position sensor
    4. AIS sensor
  9. For 2.0L turbo and 2.4L engines, detach the connectors from the following components:
    1. Fuel injectors
    2. Ignition coil
    3. Manifold differential pressure sensor connector
    4. Capacitor connector
    5. Throttle position sensor
    6. Knock sensor
    7. Engine coolant temperature sensor
    8. IAC motor
    9. Camshaft position sensor
    10. Crankshaft position sensor
    11. A/C compressor
  10. Remove the control wiring harness clip.
  11. Unplug the vacuum hose connection.
  12. Unfasten the retainer, then remove the control wiring harness.

    Fig. 5: Unfasten the bolt, then position the control wiring harness aside

  13. For 2.0L non-turbo engines, detach the alternator wiring harness connector.
  14. Disconnect the PCV hose assembly and the brake booster vacuum hose connection.

    Fig. 6: Unfasten the hose retaining clamp . . .

    Fig. 7: . . . then disconnect the brake vacuum hose connection

  15. For 2.0L turbo and 2.4L engines, detach the spark plug cable connection and fuel return hose connection.
  16. For 2.0L non-turbo engines, detach the EGR pipe connection.

    Fig. 8: Unfasten the retaining bolts, and separate the EGR pipe connection

  17. For 2.4L engines, remove the evaporative emission purge solenoid valve connector.
  18. For 2.0L turbo and 2.4L engines, disconnect the following:
    1. Vacuum hose connection and vacuum pipe.
    2. Brake booster vacuum hose connection.
    3. Heater hose connections.
  19. As outlined in Section 5, disconnect the high-pressure fuel hose connection.
  20. If equipped, remove the intake manifold stay.
  21. Remove the engine hanger.
  22. For 2.0L non-turbo engine, perform the following:
    1. Detach the injector connector, then remove the throttle body from the vehicle.
  23. Unfasten the retaining bolts, remove the intake manifold plenum, then remove and discard the plenum gasket.

    Fig. 9: Unfasten the plenum-to-lower manifold retaining bolts . . .

    Fig. 10: . . . then remove the upper intake manifold from the vehicle

    Fig. 11: Remove the intake plenum gaskets and replace with new ones during installation

  24. Remove the fuel rail, fuel injector and pressure regulator assembly, as outlined in Section 5 of this manual.
  25. If equipped, remove the insulators.
  26. For the 2.0L turbo and 2.4L engines perform the following:
    1. Ignition power transistor
    2. Ignition coil
    3. EGR valve
    4. Intake manifold stay
    5. Engine hanger
  27. Unfasten the retaining bolts, then remove the intake manifold from the vehicle. Remove and discard the gasket.

    Fig. 12: Use a ratchet with an extension to remove the rear intake manifold mounting bolts

    Fig. 13: Remove the remaining intake manifold mounting bolts . . .

    Fig. 14: . . . then remove the intake manifold from the vehicle

    Fig. 15: Remove and discard the intake manifold gaskets, and thoroughly clean the mating surfaces

  28. For 2.0L turbo engines, perform the following, if replacing the intake manifold:
    1. Remove the manifold differential pressure sensor.
    2. Remove the charge air cooler fitting.
    3. Remove the throttle body from the vehicle.
  29. For 2.4L engines, perform the following if replacing the intake manifold:
    1. Remove the throttle body.
    2. Remove the EGR valve.

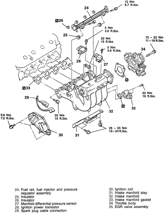
      Fig. 16: Exploded view of the intake plenum, manifold and related components — 1995–98 2.0L non-turbo engines

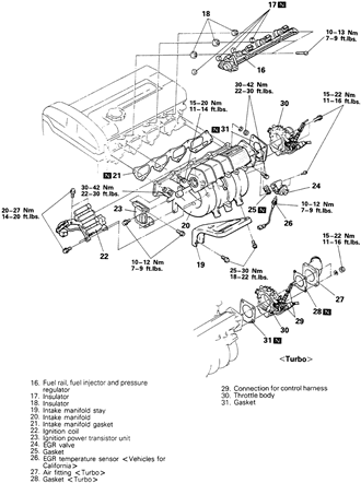
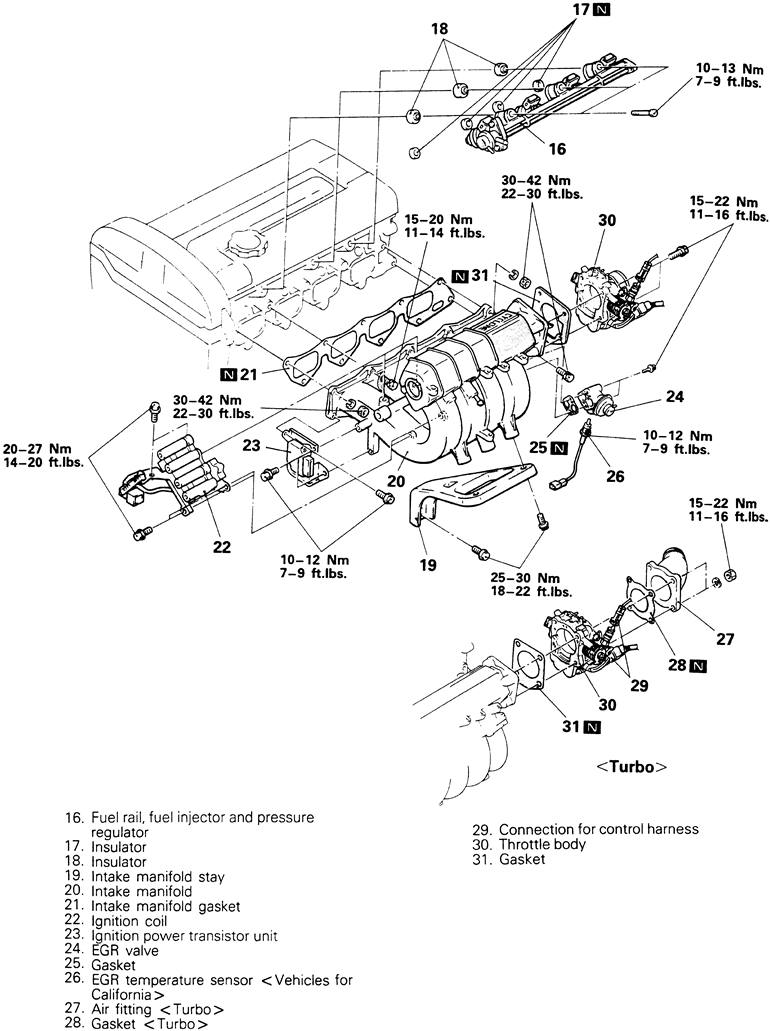
      Fig. 17: Exploded view of the intake manifold and related components — 1995–98 2.0L turbo engine

      Fig. 18: Exploded view of the intake manifold and related components — 1995–98 2.4L engine

      To install:

  30. Position a new gasket, then install the intake manifold. Tighten the retaining bolts to the specifications shown in the accompanying figures. Use a crisscross pattern starting from the center and work outwards.
  31. Install new O-rings, then install the fuel rail assembly.
  32. Place a new plenum gasket on the manifold, then install the intake manifold plenum. Tighten the bolts to the specifications shown in the accompanying figure.
  33. Install the remaining components in the reverse order of the removal procedure.
  34. Attach or install all hoses, cables and electrical connectors that were removed or disconnected during the removal procedure.
  35. Fill the system with coolant.
  36. Connect the negative battery cable, run the vehicle until the thermostat opens, fill the radiator completely. Check for leaks.
  37. Adjust the accelerator cable. Check and adjust the idle speed as required.
  38. Once the vehicle has cooled, recheck the coolant level.

Previous Next