Previous Next

Timing Belt Cover and Seal

REMOVAL & INSTALLATION

  1. Disconnect the negative battery cable.
  2. Remove the engine undercover.
  3. Remove the crankshaft pulley, as outlined later in this section.
  4. Using the proper equipment, slightly raise the engine to take the weight off of the side engine mount. Support the engine in this position.
  5. Remove the engine mount bracket.

    Fig. 1: With the engine supported, unfasten the top engine mount bracket retaining bolts

    Fig. 2: Remove the bracket side retaining bolts

    Fig. 3: Make sure to remove all of the engine mount retaining bolts

    Fig. 4: Remove the engine mount bracket

    Fig. 5: Remove the power steering pump pulley and bracket mounting bolts

    Fig. 6: Remove the engine mount-to-timing cover retaining bolts . . .

    Fig. 7: . . . then remove the engine mount bracket

  6. If not already done, remove the drive belts, tension pulley brackets, water pump pulley and crankshaft pulley.

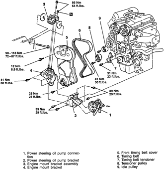
    Fig. 8: Exploded view of the timing belt cover, belt and related components — 1.8L engine

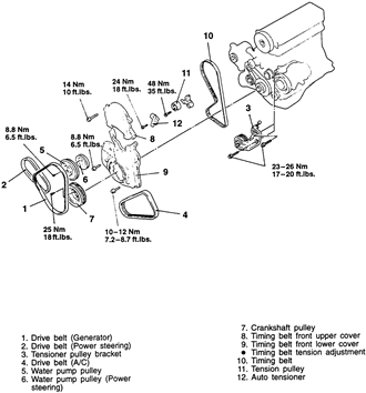
    Fig. 9: Timing belt cover, belt and related components — 1990–94 2.0L engines

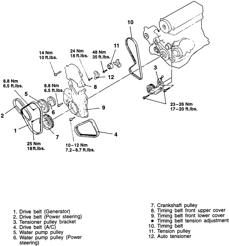
    Fig. 10: Exploded view of the timing belt cover, timing belt and related components — 1995–98 2.0L non-turbo engines

    Fig. 11: Exploded view of the timing belt components — 1995–98 2.0L turbo engines

    Fig. 12: Timing belt cover and belt mounting — 2.4L engine

    NOTE: On the 2.0L engine, take notice of the locations of each timing belt cover fastener during the removal procedure. Due to the difference in lengths, it is important that they are installed in their original locations. Refer to the illustration.

    Fig. 13: On 1990–94 2.0L engine, be sure to install the bolts in their original locations. Their dimensions differ according to their locations

  7. Remove all attaching screws and remove the upper and lower timing belt covers. If equipped with 2.0L engine, take note of the original locations of the cover fasteners prior to removal.

    Fig. 14: Unfasten the lower timing belt cover retaining bolts . . .

    Fig. 15: . . . then pull the timing belt cover up and out of the engine

  8. The installation is the reverse of the removal procedure. Make sure all pieces of packing are positioned in the inner grooves of the covers when installing.

Previous Next