Previous Next

Stabilizer Bar

REMOVAL & INSTALLATION

1990–94 Vehicles
FWD VEHICLES

Fig. 1: Exploded view of the rubber bushing type stabilizer bar — FWD vehicle

Fig. 2: Exploded view of the pillow-ball type stabilizer bar — FWD vehicle

  1. Disconnect the negative battery cable.
  2. Raise and safely support vehicle. Remove the front exhaust pipe and gasket from the manifold and using wire, tie it down and out of the way.

    NOTE: When relocating the front exhaust pipe, make sure the flexible joint is not bent more than a few degrees of damage to the pipe joint may occur.

  3. Remove the center crossmember rear installation bolts.
  4. Remove the stabilizer link bolts. On the pillow-ball type, hold ball stud with a hex wrench and remove the self-locking nut with a box wrench.

    Fig. 3: Use wrench to secure the ball stud of the stabilizer link while removing the mounting nuts

  5. Remove the stabilizer bar bolts and mounts.
  6. Remove the bar from the vehicle.
    1. Pull both ends of the stabilizer bar toward the rear of the vehicle.

      Fig. 4: Pull both ends of the stabilizer bar to the rear of the driveshaft

    2. Move the right stabilizer bar end until the end clears the lower arm.
    3. Remove the stabilizer bar out the right side of the vehicle.

      Fig. 5: Pull the stabilizer bar out of the vehicle diagonally

  7. Inspect all bushings for wear and deterioration and replace as required. Check the stabilizer bar for damage, and replace as required.

    To install:

  8. Install the stabilizer bar into the vehicle.
  9. Install the stabilizer bar brackets on the vehicle, following any side locational markings on the brackets. Temporarily tighten the stabilizer bar bracket. Align the bushing end with the marked part of the stabilizer bar and then fully tighten the stabilizer bar bracket.
  10. If equipped with the pillow-ball type mounting, install the stabilizer bar links and link mounting nuts. Using a wrench, secure the ball studs at both ends of the stabilizer link while tightening the mounting nuts. Tighten the nuts on the stabilizer bar bolt so that the distance of bolt protrusion above the top of the nut is 0.63–0.70 in. (16–18mm).
  11. Install the front exhaust pipe with new gasket in place. Tighten new self-locking nuts to 29 ft. lbs. (40 Nm).
  12. Connect the negative battery cable.
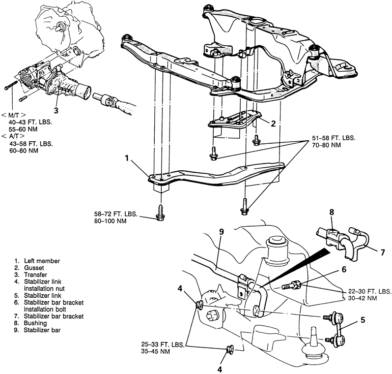
AWD VEHICLES
  1. Disconnect the negative battery cable.
  2. Remove the front exhaust pipe.
  3. Remove the center gusset and transfer assembly.
  4. Using a wrench to secure the ball studs at both ends of the stabilizer link, remove the stabilizer link mounting nuts. Remove the stabilizer link.
  5. Remove the stabilizer bar bracket installation bolt and the stabilizer bar bracket and bushing.
  6. Disconnect the stabilizer bar coupling at the right lower control arm. Pull out the left side stabilizer edge, pulling it out between the driveshaft and the lower arm. Pull out the right side bar below the lower arm.

    Fig. 6: Stabilizer bar mounting–AWD vehicle

    To install:

  7. Install the bar into the vehicle in the same manner as removal.
  8. Temporarily tighten the stabilizer bar bracket. Align the bushing end with the marked part of the stabilizer bar and then fully tighten the stabilizer bar bracket.
  9. Install and tighten the stabilizer bar bracket bolt.
  10. Install the stabilizer bar links and link mounting nuts. Using a wrench, secure the ball studs at both ends of the stabilizer link while tightening the mounting nuts. Tighten the nuts on the stabilizer bar bolt so that the distance of bolt protrusion above the top of the nut is 0.63–0.70 in. (16–18mm).
  11. Install the transfer assembly and gusset.
  12. Install the left crossmember. Tighten the rear mounting bolts to 58 ft. lbs. (80 Nm) and the front mounting bolts to 72 ft. lbs. (100 Nm).
1995–98 Vehicles
  1. Disconnect the negative battery cable.
  2. Raise and safely support vehicle.
  3. Unfasten the stabilizer link mounting nuts.
  4. Remove the stabilizer link.
  5. Remove the stabilizer bar bracket.
  6. Remove the bushing, then remove the stabilizer bar from the vehicle.

    Fig. 7: Exploded view of the stabilizer bar and related components — 1995–98 vehicles

  7. Inspect the stabilizer bar, bushings and bolts for wear, damage and/or deterioration and replace as necessary.
  8. If the stabilizer link ball joint dust cover was damaged during removal, it can be replaced, as follows:
    1. Remove the clip ring with a small prytool, then remove the dust cover.

      To install:

  9. To install the dust cover, perform the following:
    1. Apply multipurpose grease to the inside the dust cover.
    2. Use plastic tape on the stabilizer threads, then install the dust cover on the stabilizer link.
    3. Secure the cover using the clip ring. When installing the clip ring, align the ends at a 90°angle from the axis from the axis of the stabilizer link.

      Fig. 8: Wrap the stabilizer threads with plastic tape, then install the dust cover

  10. Installation is the reverse of the removal procedure.
  11. When installing the stabilizer bar, position it so the marking on the bar and the edge of the bracket becomes the reference value, then tighten the stabilizer bar bracket mounting bolt.

    Fig. 9: Proper installation of the stabilizer bar and bracket

Previous Next