Previous Next

REMOVAL & INSTALLATION

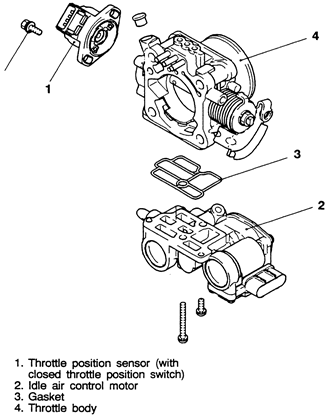
Fig. 1: The IAC motor is usually mounted on the throttle body

  1. Disconnect the negative battery cable.
  2. Remove the air cleaner intake hose.
  3. Remove any necessary hoses from the IAC motor.
  4. Detach the electrical connectors from the IAC motor.
  5. Remove the retaining bolts and remove the IAC from the throttle body.
  6. The installation is the reverse of removal. Replace the IAC gasket.

Previous Next