Previous Next

Heater Core

REMOVAL & INSTALLATION

Diamante

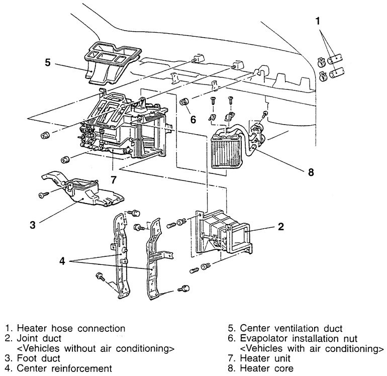
Fig. 1: Heater core and related components exploded view — 1992–96 Diamante

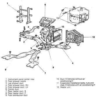
Fig. 2: Heater core and related components exploded view — 1997–00 Diamante

  1. Disarm the air bag. Refer to the procedure earlier in this section.
  2. Drain the cooling system and disconnect the heater hoses from the core tubes. Plug the hoses.
  3. Remove the passenger side undercover.
  4. Remove the right side foot shower duct.
  5. To remove the console, remove the ashtray and remove the revealed screw. Then remove the 4 screws from the sides of the assembly and remove.
  6. Remove the decorative plugs from the driver's knee protector. Remove the revealed screws, the knee protector assembly and the protector support bracket.
  7. Remove the steering column covers.
  8. Remove the glove box striker, glove box, glove box outer casing and the screw below the assembly.
  9. Remove the radio bezel and the stereo entertainment system.
  10. Remove the climate control system control head.
  11. Remove the cup holder.
  12. Remove the speakers from the top of the instrument panel.
  13. Remove the instrument cluster bezel and the instrument cluster.
  14. To remove the speedometer cable adapter from the instrument panel, first disconnect the speedometer cable from the transaxle. Then unlock the adapter from the instrument panel, pull the speedometer cable slightly inwards, and remove the adapter.
  15. Detach all steering column connectors, remove the column mounting bolts, and allow the steering column to rest on the front seat. Be very careful not to allow anything to come in contact with the air bag unit.
  16. Remove the glove box lamp assembly.
  17. Remove the remaining instrument panel mounting screws and remove the instrument panel from the vehicle.
  18. Remove the left side foot shower ductwork, lap cooler duct and center duct.
  19. Remove the front and center reinforcements and center stay assembly.
  20. Remove the air distribution duct assembly.
  21. Detach all connectors from heater-box-mounted items.
  22. Remove the heater box mounting screws and nut, then remove the unit from the vehicle.
  23. Disassemble on a workbench. Remove the heater core from the heater case.

    To install:

  24. Thoroughly clean and dry the inside of the case and install the heater core and all related parts.
  25. Install the heater unit to the vehicle and install the mounting screws and nut. Be sure the evaporator case and heater case are fitted together properly. Attach all connectors to heater-box-mounted items.
  26. Install the air distribution duct assembly. Install the front and center reinforcements and center stay assembly.
  27. Install the center duct, lap cooler duct and left side foot shower duct.
  28. Install the instrument panel and mounting screws.
  29. Install the glove box lamp assembly.
  30. Secure the steering column and attach all steering column connectors.
  31. Install the speedometer cable adapter to the instrument panel.
  32. Install the instrument cluster and the instrument cluster bezel.
  33. Install the speakers to the top of the instrument panel.
  34. Install the cup holder.
  35. Install the climate control system control head.
  36. Install the stereo entertainment system and bezel.
  37. Install the screw below the glove box assembly, and the entire glove box unit.
  38. Install the steering column covers.
  39. Install the knee protector support bracket, the protector and the decorative plugs.
  40. Install the console and the ashtray.
  41. Install the right side foot shower duct.
  42. Install the passenger side undercover.
  43. Connect the heater hoses to the core tubes.
  44. Fill the cooling system.
  45. Connect the negative battery cable and check the entire climate control system for proper operation and leaks.
Galant

Fig. 3: Exploded view of the heater core and related components — 1990–93 Galant

Fig. 4: Exploded view of the heater core and related components — 1994–98 Galant

Fig. 5: Exploded view of the heater core and related components — 1999–00 Galant

  1. Disconnect the negative battery cable.
  2. Disarm the air bag. Refer to the procedure earlier in this section.
  3. With the engine cold, set the temperature control lever to the FULL HOT position. Drain the engine coolant.
  4. Disconnect the coolant hoses running to the heater pipes at the firewall.
  5. Remove the center console.
  6. Remove the heater cover.
  7. Remove the steering wheel.
  8. Remove the small steering column panel.
  9. Remove the undercover.
  10. Remove the upper and lower steering column covers and detach the wiring connectors.
  11. Remove the instrument cluster hood.
  12. Remove the mounting screws for the instrument cluster.
  13. Pull the cluster out and disconnect the speedometer adapter behind the cluster. Remove the cluster.
  14. Remove the floor console and the underframe.
  15. Disconnect and remove the air duct, lap heater duct, side defroster duct and the vertical defroster duct.
  16. Remove the glove box.
  17. Remove the ashtray and its mount. Disconnect the light wiring before removing.
  18. Remove the heater control faceplate.
  19. Remove the heater control panel and disconnect its harness.
  20. Remove the right side undercover from the instrument panel and remove the underframe.
  21. On the left side of the instrument panel, remove the fuse box cover and unbolt the fusebox from the instrument panel.
  22. Remove the front pillar (windshield pillar trim) from each pillar.
  23. Remove the kick panel trim from each side.
  24. Loosen the defroster garnish, disconnect the photo sensor wiring and remove the garnish and defroster grille.
  25. Remove the grille for the center air outlet.
  26. Remove the bolts holding the steering column bracket to the instrument panel.
  27. Remove the center reinforcement bracket.
  28. On the left side, remove the retaining nuts holding the instrument panel underframe to the body.
  29. On the right side, remove the underframe retaining bolts. Note that the bolts are different; the flanged bolt must be correctly reinstalled.
  30. Remove the remaining nuts and bolts holding the instrument panel. As the instrument panel comes loose, label and disconnect the wiring harnesses. Carefully remove the instrument panel.
  31. If equipped with automatic climate control, remove the power control unit on the lower front of the heater unit.
  32. Remove the duct joint between the heater unit and evaporator case (with air conditioning) or blower assembly (heater only).
  33. Carefully separate the vacuum hose harness at the connector.
  34. Remove the heater unit from the vehicle.
  35. To remove the heater core, first remove the cover from the water valve. Disconnect the links and remove the vacuum actuator.
  36. Remove the clamps and slide the heater core out of the case. Remove the water valve after the core is removed.
  37. With the case removed, the heater core may be changed after the water valve is removed. Remove the plastic cover, remove the clamps and hose and remove the water valve.

    To install:

  38. Thoroughly clean and dry the inside of the case. Install the core and the water valve, using new hose or clamps.
  39. Install the vacuum actuator and the connecting link. Put the cover on the water valve.
  40. Install the heater unit and tighten the mounting bolts.
  41. Carefully attach the vacuum hose connector to the vacuum harness. Make certain the hoses mate firmly and securely.
  42. Install the heater cover, then install the center console.
  43. Install the duct joint between heater and evaporator or blower.
  44. Install the power control unit and carefully connect the links and rods.
  45. Install the heater hoses under the hood.
  46. Install the instrument panel by reversing its removal procedure.
  47. Install the center console.
  48. Install the upper and lower steering column covers.
  49. Install the center panel undercover.
  50. Install the small column panel.
  51. Install the steering wheel.
  52. Fill the cooling system.
  53. Connect the negative battery cable and check the entire climate control system for proper operation and leaks.
Mirage

Fig. 6: Exploded view of the heater core and related components — 1990–92 Mirage

Fig. 7: Heater core and related components — 1993–96 Mirage

Fig. 8: Exploded view of the heater core and related components — 1997–00 Mirage

  1. Disconnect the negative battery cable.
  2. Drain the cooling system and disconnect the heater hoses.
  3. Remove the front seats by removing the covers over the anchor bolts, the underseat tray, the seat belt guide ring, the seat mounting nuts and bolts and disconnect the seat belt switch wiring harness from under the seat. Then lift out the seats.
  4. Remove the floor console by first taking out the coin holder and the console box tray. Remove the remote control mirror switch or cover. All of these items require only a plastic trim tool to carefully pry them out.
  5. Remove the rear half of the console.
  6. Remove the shift lever knob on manual transmission vehicles.
  7. Remove the front console box assembly.
  8. A number of the instrument panel pieces may be retained by pin type fasteners. They may be removed using the following procedure:
    1. Press down on the center pin with a suitable blunt pointed tool. Press down a little more than 116 in. (2mm) to release the clip. Pull the clip outward to remove it.
    2. Do not push the pin inward more than necessary because it may damage the grommet or the pin may fall in if pushed in too far. Once the clips are removed, use a plastic trim stick to pry the piece loose.
  9. Remove both lower cowl trim panels (kick panels).
  10. Remove the ashtray.
  11. Remove the center panel around the radio.
  12. Remove the sunglass pocket at the upper left side of panel and the side panel into which it mounts.
  13. Remove the driver's side knee protector and the hood release handle.
  14. Remove the steering column top and bottom covers.
  15. Remove the radio.
  16. Remove the glove box striker and box assembly.
  17. Remove the instrument panel lower cover, 2 small pieces in the center, by pulling forward.
  18. Remove the heater control assembly screw.
  19. Remove the instrument cluster bezel and pull out the gauge assembly.
  20. Remove the speedometer adapter by disconnecting the speedometer cable at the transaxle pulling the cable sightly towards the vehicle interior and giving a slight twist on the adapter to release it.
  21. Insert a small flat-tipped tool to open the tab on the gauge cluster connector. Remove the harness connectors.
  22. Remove, by prying with a plastic trim tool, the right side speaker cover and the speaker, the upper side defroster grilles and the clock or plug to gain access to some of the instrument panel mounting bolts.
  23. Lower the steering column by removing the bolt and nut.
  24. Remove the instrument panel bolts and the instrument panel.
  25. Disconnect the air selection, temperature and mode selection control cables from the heater box and remove the heater control assembly.
  26. Remove the connector for the MFI control relay.
  27. Remove both stamped steel instrument panel supports.
  28. Remove the heater ductwork.
  29. Remove the heater box mounting nuts.
  30. Remove the automatic transmission ELC control box.
  31. Remove the evaporator mounting nuts and clips.
  32. With the evaporator pulled toward the vehicle interior, remove the heater unit. Be careful not to damage the heater tubes or to spill coolant.
  33. Remove the cover plate around the heater tubes and the core fastener clips. Pull the heater core from the heater box, being careful not to damage the fins or tank ends.

    To install:

  34. Thoroughly clean and dry the inside of the case. Install the heater core to the heater box. Install the clips and cover.
  35. Install the evaporator and the automatic transmission ELC box.
  36. Install the heater box and connect the duct work.
  37. Connect all wires and control cables.
  38. Install the instrument panel assembly and the console by reversing their removal procedures.
  39. Install the seats.
  40. Refill the cooling system.
  41. Connect the negative battery cable and check the entire climate control system for proper operation. Check the system for leaks.

Previous Next