Previous Next

Power Brake Booster

REMOVAL & INSTALLATION

  1. Disconnect the negative battery cable.
  2. Siphon the brake fluid from the master cylinder reservoir.

    CAUTION
    Brake fluid contains polyglycol ethers and polyglycols. Avoid contact with the eyes and wash your hands thoroughly after handling brake fluid. If you do get brake fluid in your eyes, flush your eyes with clean, running water for 15 minutes. If eye irritation persists, or if you have taken brake fluid internally, IMMEDIATELY seek medical assistance.

  3. Remove and relocate the air conditioning relay box and the solenoid valve located at the power brake unit.
  4. Disconnect the vacuum hose from the booster by pulling it straight off. Prying off the vacuum hose could damage the check valve installed in the brake booster vacuum hose.
  5. Detach the electrical harness connector from the brake level sensor.
  6. Remove the nuts attaching the master cylinder to the booster and remove the master cylinder and position aside. If necessary, disconnect and plug the brake fluid lines at the master cylinder.
  7. From inside the passenger compartment, remove the cotter pin and clevis pin that secures the booster pushrod to the brake pedal.
  8. From inside the vehicle, remove the nuts that attach the booster to the dash panel. Remove the brake booster from the engine compartment.

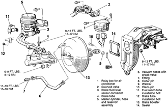
    Fig. 1: Exploded view of the power brake booster and related components — most models

    To install:

  9. Install the brake booster to the dash panel. From inside the vehicle, install the attaching nuts and tighten to 12 ft. lbs. (17 Nm).
  10. Apply grease to the clevis pin and install with washers in place. Install new cotter pin and bend to secure in place.
  11. Attach the vacuum hose to the booster fitting.
  12. Install the master cylinder assembly to the mounting studs on the brake booster. Install the master cylinder mounting nuts and tighten to 9 ft. lbs. (12 Nm).
  13. Reconnect the brake fluid reservoir to the master cylinder, if disconnected. Attach the electrical connector to the brake fluid level sensor.
  14. Install the solenoid valve assembly and the relay box, if removed.
  15. Connect the negative battery cable.
  16. Add fluid to the brake fluid reservoir as required.

    WARNING
    Clean, high quality brake fluid is essential to the safe and proper operation of the brake system. You should always buy the highest quality brake fluid that is available. If the brake fluid becomes contaminated, drain and flush the system, then refill the master cylinder with new fluid. Never reuse any brake fluid. Any brake fluid that is removed from the system should be discarded. Also, do not allow any brake fluid to come in contact with a painted surface; it will damage the paint.

  17. Bleed the master cylinder. If after bleeding the master cylinder the brake pedal feels soft, bleed the brake system at all wheels.
  18. Check the brake system for proper operation.

Previous Next