Previous Next

Water Pump

REMOVAL & INSTALLATION

  1. Before servicing the vehicle, refer to the precautions in the beginning of this section.
  2. If necessary, properly release the fuel pressure.
  3. Drain the cooling system.
  4. Remove or disconnect the following:

    CAUTION
    Wait at least 90 seconds after the negative battery cable is disconnected to prevent possible deployment of the air bag.

  5. Upper radiator shroud
  6. Accessory belts
  7. Air conditioning compressor tensioner pulley, if equipped
  8. Cooling fan and clutch assembly and the water pump pulley
  9. Thermostat and housing on 3.0L, 3.5L engines
  10. Water outlet, gasket and houses
  11. Radiator hoses from the water pump
  12. Crankshaft pulley(s)
  13. Timing belt covers. If the same timing belt will be reused, mark the direction of the timing belt's rotation, for installation in the same direction. Be sure the engine is positioned so the No. 1 cylinder is at the TDC of its compression stroke and the sprockets timing marks are aligned with the engine's timing mark indicators.
  14. Timing belt
  15. Water pump bolts are different lengths, note their positions before removing.
  16. Water pump from the block
  17. Water pipe connection and O-ring

    To install:

  18. Clean and dry the mating surfaces of the block and water pump
  19. Install or connect the following:
  20. Refill the radiator with coolant. This cooling system has a self-bleeding thermostat, so system bleeding is not required.
  21. Run the vehicle until the thermostat opens and fill the overflow tank. Check for leaks.
  22. Once the vehicle has cooled, recheck the coolant level.

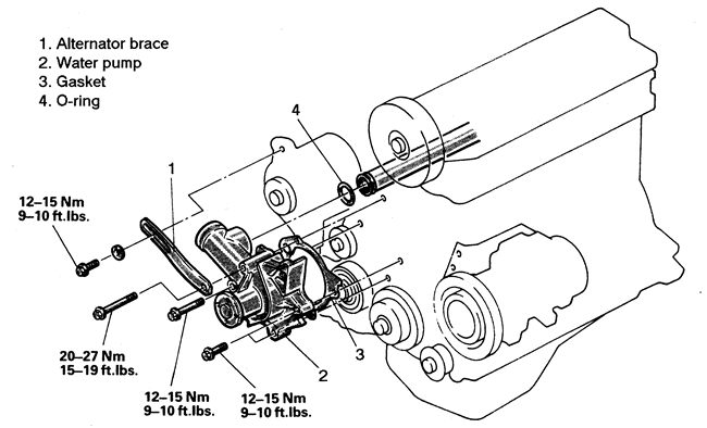
    Fig. 2: Water pump mounting — 3.0L engine

    Fig. 3: Water pump and related components — 3.5L engine

Previous Next