Previous Next

Montero Sport

REMOVAL & INSTALLATION

Front Heater System
  1. Place the wheels in the straight-ahead position.
  2. Disconnect the negative battery.

    CAUTION
    Wait at least 60 seconds after disconnecting the battery cable before performing any work on the air bag or instrument panel.

  3. Drain the cooling system into a clean container for reuse.
  4. Discharge and recover the air conditioning system refrigerant.
  5. Remove the floor console assembly.
  6. Remove the air bag module, column covers and the steering wheel by performing the following procedure:
    1. Remove the steering column-to-instrument panel cover screws and the cover.
    2. Carefully, remove the air bag module from the steering wheel.
    3. Disconnect the electrical connectors from the air bag module.

      CAUTION
      Store the air bag module facing up.

    4. Remove the steering wheel nut.
    5. Using a steering wheel puller, press the steering wheel from the steering column.
  7. Remove the passenger's air bag module by performing the following procedure:
    1. Remove the glove box stoppers and lower the glove box.
    2. Remove the passenger's air bag module bolts and remove the air bag module.
    3. Disconnect the electrical connector from the air bag module.
  8. Remove the instrument panel by performing the following procedures:
    1. Remove the hood lock release handle.
    2. Remove the knee protector assembly and bracket.
    3. Remove the meter bezel assembly.
    4. Remove the under cover, the corner cover and the stopper.
    5. Remove the glove box assembly and the ashtray.
    6. Remove the center under cover assembly and the cup holder assembly.
    7. Remove the radio and tape player.
    8. Disconnect and remove the heater/air conditioning control assembly.
    9. Remove the combination meter and the speaker.
    10. Remove the glove box striker and the upper glove box frame.
    11. Remove the multi-meter panel and the multimeter assembly.
    12. Remove the side defroster grille.
    13. Using an assistant, carefully, remove the instrument panel assembly.
  9. Remove the blower motor assembly.
  10. Remove the joint duct from the air conditioning evaporator housing assembly.
  11. Remove the center reinforcement.
  12. Remove the center ventilation duct.
  13. Remove the drain hose from the air conditioning evaporator housing assembly.
  14. Disconnect the heater hoses from the heater housing assembly.
  15. Disconnect the refrigerant lines from the air conditioning evaporator housing assembly and discard the O-rings.
  16. Remove the heater housing assembly.
  17. Remove the heater core from the heater housing.

    Fig. 1: Exploded view of the floor console and related components-Mitsubishi Montero Sport

    Fig. 2: Exploded view of the passenger's side air bag module-Mitsubishi Montero Sport

    Fig. 3: Exploded view of the steering wheel and air bag module-Mitsubishi Montero Sport

    Fig. 4: Exploded view of the instrument panel and related components-Mitsubishi Montero Sport

    Fig. 5: Exploded view of the heater housing, air conditioning evaporator housing and related components-Mitsubishi Montero Sport

    To install:

  18. Install the heater core to the heater housing.
  19. Install the heater housing assembly.
  20. Using new O-rings, connect the refrigerant lines to the air conditioning evaporator housing assembly.
  21. Connect the heater hoses to the heater housing assembly.
  22. Install the drain hose to the air conditioning evaporator housing assembly.
  23. Install the center ventilation duct.
  24. Install the center reinforcement.
  25. Install the joint duct to the air conditioning evaporator housing assembly.
  26. Install the blower motor assembly.
  27. Install the instrument panel by performing the following procedures:
    1. Using an assistant, carefully, install the instrument panel assembly.
    2. Install the side defroster grille.
    3. Install the multi-meter assembly and the multimeter panel.
    4. Install the upper glove box frame and the glove box striker.
    5. Install the speaker and the combination meter.
    6. Connect and install the heater/air conditioning control assembly.
    7. Install the radio and tape player.
    8. Install the center under cover assembly and the cup holder assembly.
    9. Install the glove box assembly and the ashtray.
    10. Install the under cover, the corner cover and the stopper.
    11. Install the meter bezel assembly.
    12. Install the knee protector assembly and bracket.
    13. Install the hood lock release handle.
  28. Install the passenger's air bag module by performing the following procedure:
    1. Connect the electrical connector to the air bag module.
    2. Install the air bag module and the passenger's air bag module bolts.
    3. Install the lower the glove box and the glove box stoppers.
  29. Install the steering wheel, the column covers and the air bag module by performing the following procedure:
    1. Install the steering wheel to the steering column.
    2. Install the steering wheel nut and torque the nut to 29 ft. lbs. (39 Nm).
    3. Connect the electrical connectors to the air bag module.
    4. Carefully, install the air bag module to the steering wheel.
    5. Install the steering column-to-instrument panel cover and the cover screws.
  30. Install the floor console assembly.
  31. Refill the cooling system.
  32. Connect the negative battery.
  33. Evacuate and charge the air conditioning system refrigerant.
  34. Run the engine to normal operating temperatures; then, check the climate control operation and check for leaks.
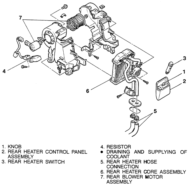
Rear Auxiliary System
  1. Disconnect the negative battery cable.
  2. Drain the cooling system into a clean container for reuse.
  3. Remove the rear heater unit switch knob.
  4. Remove the rear heater control panel assembly.
  5. Remove the rear heater switch.
  6. Remove the rear floor console.
  7. Disconnect and remove the resistor.
  8. Disconnect the rear heater hoses from the rear heater core.
  9. Remove the rear heater core from the rear heater housing.

    Fig. 6: Exploded view of the rear heater core and related components-Mitsubishi Montero Sport

    To install:

  10. Install the rear heater core to the rear heater housing.
  11. Connect the rear heater hoses to the rear heater core.
  12. Install and connect the resistor.
  13. Install the rear floor console.
  14. Install the rear heater switch.
  15. Install the rear heater control panel assembly.
  16. Install the rear heater unit switch knob.
  17. Refill the cooling system.
  18. Connect the negative battery cable.
  19. Run the engine to normal operating temperatures; then, check the climate control operation and check for leaks.

Previous Next