Previous Next

Oil Pump

REMOVAL & INSTALLATION

2.4L Engine
  1. Before servicing the vehicle, refer to the precautions in the beginning of this section.
  2. Drain the oil and remove the oil filter.
  3. Remove or disconnect the following:

    CAUTION
    Wait at least 90 seconds after the negative battery cable is disconnected to prevent possible deployment of the air bag.

  4. Timing belt covers, timing belts and sprockets
  5. Oil pan and gasket
  6. Oil pump pick-up and gasket
  7. Oil pressure relief plunger plug and gasket
  8. Spring and plunger from the oil filter bracket
  9. Bracket mounting bolts and the oil filter mount and gasket
  10. Plug cap and gasket that covers the oil pump driven gear shaft. Using special tool MD998162 this is located on the right side of the front case, just above the protruding drive gear shaft.
  11. Retaining bolt from the oil pump driven gear located behind the plug removed earlier
  12. Front case mounting bolts and the case from the block
  13. Case gasket from the block

    To install:

  14. Prime the pump by pouring fresh oil into the pump intake and turning the driveshaft until oil comes out of the pressure port. Repeat this a few times until no air bubbles are present. Replace all seals on the case assembly.

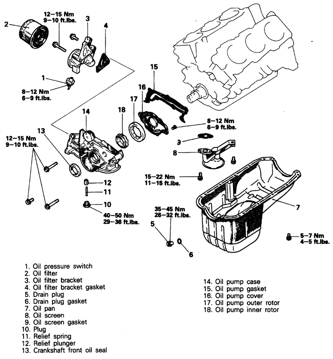
    Fig. 1: Exploded view of the oil pump, oil pan and related components-2.4L engine shown; other engines are similar

  15. Install a special seal guide to the crankshaft, MD998285, so the smaller diameter faces outward. Coat the outer diameter of the seal with clean engine oil.
  16. Install or connect the following:
  17. Remove the plug from the left side of the block. Hold the left side silent shaft by inserting a tool in the plug hole and tighten the driven gear bolt to 26 ft. lbs. (35 Nm)
  18. New O-ring and the plug cover
  19. Oil filter mounting bracket gasket
  20. Mounting bracket and bolts tightening the oil filter mounting bracket bolts to 12 ft. lbs. (16 Nm).
  21. Clean or replace the oil pick-up screen and install with a new gasket.
  22. Install or connect the following:
  23. Refill the engine with the proper amount of engine oil.
  24. Start the engine and check for proper oil pressure. Check for leaks.
3.0L and 3.5L Engines
  1. Before servicing the vehicle, refer to the precautions in the beginning of this section.
  2. Drain the engine oil.
  3. Remove or disconnect the following:

    NOTE: Note the position of each oil pump case retaining bolts to facilitate installation. The bolts are of different length.

    To install:

    Fig. 2: Exploded view of the oil pump, oil pan and related components-2.4L engine shown; other engines are similar

  4. Clean the gasket mounting surfaces of the pump and engine block.
  5. Prime the pump by pouring fresh oil into the inlet and turning the rotors or by packing pump with petroleum jelly. Using a new gasket, install the oil pump on the engine and tighten all bolts to 10 ft. lbs. (14 Nm).
  6. Clean out the oil pick-up or replace as required. Replace the oil pick-up gasket ring and install the pick-up to the pump.
  7. Install or connect the following:
  8. Refill the engine with the proper amount of oil.
  9. Start the engine and check for proper oil pressure. Check for leaks.

Previous Next