Sometimes we are puzzled at how manufacturer's chose the term "Normal" for the style of driving which most refer to in their maintenance charts as the opposite of "Severe." Check your owner's manual and you will likely see that you are NOT normal. Sorry to be the one to tell you, but it's probably true.
You see, to be "Normal" according to most manufacturer's driving and maintenance recommendations you would have to: Drive the car for more than 10 miles or so (to make sure it properly warms up) almost every time you start it (never under freezing conditions, but not in excessive heat, dry or dusty conditions either). Most miles would have to be on the highway, NOT stop-and-go (few red lights or stop signs), with no excessive idling (in traffic or curbside), but NOT at excessive speeds. Well, some of you reading this will find that this applies . . . but most wont.
If ALL of these conditions apply, then most manufacturers call your driving style "Severe" and lump it in with trailer towing, racing, cab or delivery driving or even police or fire vehicle usage. The truth is that most usage probably falls somewhere in between. Actual severe usage, such as those that we have just listed, should require a LOT of attention to all of the various systems of a car (including early replacement of all fluids). But, the average person, who does not race or tow, will be fine with the 3,000 mile/3 month engine oil change and most of the other recommendations we have given. If you compare those recommendations with your manufacturer, you will probably find that they have listed those intervals for "SEVERE" usage and not "NORMAL." Maybe it is just a play on words. Just remember that it is your money (that you are driving around every day) and possibly even your life (kept safe by tires and brakes . . . ) so remember the general rule, maintenance is cheaper than repair. Don't be afraid of not being "Normal." Go ahead and admit that your driving is "Severe" and maintain your vehicle to match.
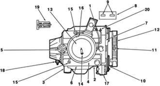
| Fig. 1: Typical underhood maintenance locations for inline-type engines (Refer to chart for descriptions) |
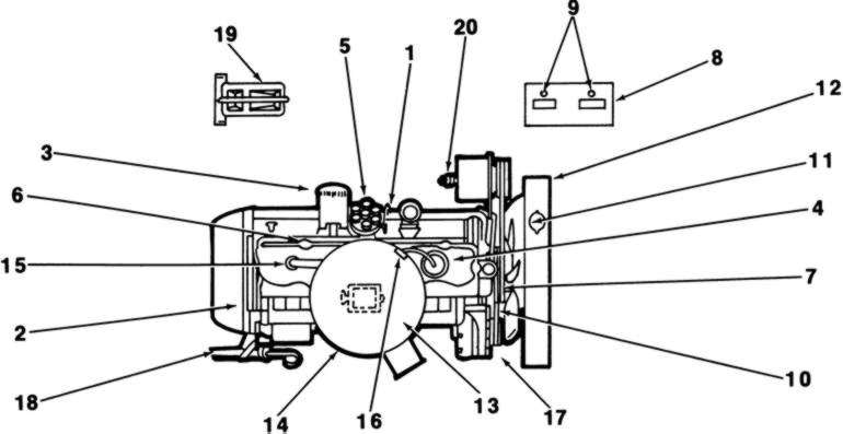
| Fig. 2: Typical underhood maintenance locations for V or opposing-type engines (Refer to chart for descriptions) |
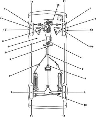
| Fig. 3: Typical body and undervehicle maintenance locations (Refer to chart for descriptions) |
| Fig. 4: Typical lubricants, from left to right: Engine
Oil; Gear Oil; ATF; Wheel Bearing Grease; Brake Fluid; Chassis Grease;
White Grease; and Silicone Spray
|
| Fig. 5: Special tools make lubrication easier, from
left to right: Oil Suction Gun; Oil Can; Funnel; Grease Gun; and Wheel
Bearing Packers
|