CAUTION
When draining the coolant, keep in mind that cats and dogs are attracted by
ethylene glycol antifreeze, and are quite likely to drink any that is left in
an uncovered container or in puddles on the ground. This will prove fatal in
sufficient quantity. Always drain the coolant into a sealable container. Coolant
should be reused unless it is contaminated or several years old.
NOTE: This operation requires removal of the timing belt. Do
not attempt to replace the water pump if you are not familiar with timing belt
procedures.
- Disconnect the negative battery cable.
- Turn the crankshaft pulley clockwise until all the timing marks align. This
sets No. 1 piston at TDC/compression. Once set in this position, the motor
position must not be disturbed during repairs.
- Drain the cooling system.
- Remove the upper radiator shroud.
- Loosen the power steering pump and remove the belt.
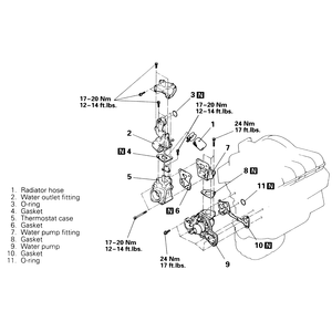
| Fig. 1: Water pump assembly — 2.0L
engine
|
- Remove the air conditioner compressor belt tensioner and remove the belt.
- Loosen the alternator and remove the drive belt.
- Remove the cooling fan and clutch assembly.
- Remove the water pump pulley.
- Remove the center bolt holding the crankshaft pulleys. The bolt will be
tight.
- Remove the smaller pulley bolt and remove the power steering pulley and
the crankshaft pulley from the crankshaft.
- Remove the upper and lower timing belt covers.
- Confirm that all the timing marks align and that the engine is at TDC/compression
on No. 1 cylinder.
- Loosen and remove the timing belt adjuster.
- Use chalk or a crayon to mark the direction of rotation on the timing belt.
Carefully remove the timing belt from the pulleys.
- Disconnect the lower radiator hose from the water pump.
- Remove the water pump mounting bolts and remove the alternator bracket.
NOTE: The water pump bolts are of different lengths and
must be reinstalled in the correct position. Label or diagram each at the
time of removal.
- Carefully remove the pump from the engine block and separate the pump from
the water pipe.
- Check the pump thoroughly for damage or cracks. Turn the shaft, checking
for binding or noise. If the pump was leaking coolant through the vent hole,
the internal seal has failed and the pump must be replaced.
NOTE: Do not confuse light moisture accumulation with outright
leakage. The vent hole area may be moist in normal operation.
To install:
- Clean the mating surfaces of the pump and block. Remove all traces of the
old gasket.
- Install a new O-ring on the front end of the water pipe and wet the O-ring
with water or coolant. Do not apply grease or oil.
- Install a new water pump gasket, making sure all the bolt holes line up.
Do not apply any sealer to the gasket.
- Install the water pump retaining bolts in their correct holes (don't forget
the alternator brace) and tighten each finger-tight. Tighten the bolts in
two steps to their final torque: Bolt heads marked 4 tighten
to 10 ft. lbs. (14 Nm) and bolt heads marked 7 tighten to
18 ft. lbs. (24 Nm).
- Install the water pipe, making sure the O-ring stays in position.
- Connect the lower radiator hose to the water pump. Use a new hose clamp
if necessary.
- Install the timing belt onto the crankshaft sprocket, the oil pump sprocket
and the camshaft sprocket in that order. Make certain there is no slack between
the crankshaft sprocket and the oil pump or between the oil pump sprocket
and the camshaft sprocket.
- Loosen the tensioner mounting bolts. Allow the tensioner to move against
the belt under its spring tension; do not force or push on the tensioner.
- Turn the crankshaft in its normal clockwise direction until the camshaft
pulley has moved 2 teeth from the timing mark.
WARNING
This rotation is to create the correct tension on the belt. Do not rotate
the engine counterclockwise and do not press on the belt.
- Carefully observe the belt and the way it fits on each sprocket. It may
have lifted from the camshaft sprocket, particularly in the "10 o'clock''
position. If this is the case, GENTLY push on the tensioner with your fingers
(counterclockwise or downward) to take up the slack. Do not push on the tensioner
any more than needed to seat the belt on the sprocket.
- Tighten the lower bolt on the tensioner first, then the pivot or upper bolt.
The order is important; if done incorrectly, the belt will not be under the
correct tension.
- Install the lower timing belt cover and then the upper cover. Tighten the
bolts to 8 ft. lbs. (11 Nm).
- Install the crankshaft pulley and the power steering pulley. Tighten the
small pulley bolt to 19 ft. lbs. (25 Nm) and the crankshaft center bolt to
88 ft. lbs. (120 Nm).
- Install the pulley and fan assembly onto the water pump. Tighten the nuts
to 8 ft. lbs. (11 Nm).
- Install the alternator drive belt and adjust it to the proper tension.
- Install the compressor drive belt. Install the belt tensioner and adjust
the belt tension.
- Install the power steering pump drive belt and adjust it to the proper tension.
- Install the upper radiator shroud.
- Double check the draincock, closing it if necessary, and refill the cooling
system.
- Connect the negative battery cable.
- Start the engine and check carefully for leaks. Allow the engine to warm
up with the radiator cap removed. After the thermostat opens, adjust the coolant
level to the bottom of the radiator neck and install the radiator cap.
CAUTION
Do not lean over the radiator neck while the engine is running. Hot coolant
may be splashed out by air trapped within the system. Keep hands, tools
and clothing away from the fans which may engage at any time.
- Shut the engine off and perform any necessary adjustments to the drive belts.
NOTE: Perform this procedure only on a completely cold engine.
- Disconnect the negative battery cable.
- Drain the coolant into clean containers so that it may be reused if still
in good condition.
- Disconnect the lower radiator hose from the water pump.
- Loosen the bolts holding the fan, fan pulley and fan clutch.
- Loosen the drive belt and remove it.
- Remove the cooling fan, fan clutch and pulley.
- Remove all the retaining bolts and remove the water pump. If it is stuck
in place, it may be tapped with a plastic or rubber mallet.
- Inspect the pump parts for any sign of wear or damage. Turn the shaft by
hand, checking for binding, noise or uneven rotation.
- Check the seal area for any sign of leakage. Any fluid leakage from the
breather hole requires replacement of the pump.
NOTE: Very slight moisture or vapor around the hole is
normal. Use common sense to determine outright leakage.
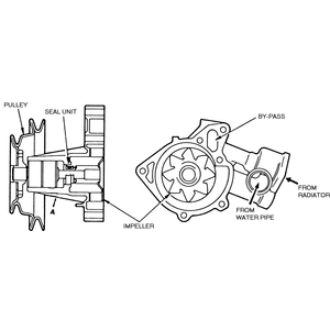
| Fig. 2: Water pump assembly point A is the breather
hole in the case — 2.3L diesel engine
|
To install:
- Make certain the mating surfaces are free of any trace of the old gasket.
- Use a new gasket, install the pump and tighten the bolts evenly and alternately.
Do not overtighten.
- Install the fan clutch, pulley and cooling fan.
- Install the drive belt and adjust it to the proper tension.
- Connect the lower radiator hose; make certain the clamp is correctly placed
and secure.
- Check the draincock and make sure it is firmly closed. Refill the cooling
system with coolant.
- Connect the negative battery cable. Start the engine and check for leaks.
- Disconnect the negative battery cable.
- Drain the cooling system.
- Remove the upper radiator shroud.
- Remove all accessory belts. Remove the air conditioning compressor tensioner
pulley, if equipped.
- Remove the cooling fan and clutch assembly and remove the water pump pulley.
- Disconnect the radiator hose from the water pump.
- Remove the crankshaft pulley(s).
- Remove the timing belt covers.
- If the same timing belt will be reused, mark the direction of the timing
belt's rotation, for installation in the same direction. Make sure the engine
is positioned so the No. 1 cylinder is at the TDC of its compression stroke
and the sprockets' timing marks are aligned with the engine's timing mark
indicators. Remove the timing belt.
- The water pump bolts are different lengths, note their positions before
removing. Remove the water pump mounting bolts and remove the pump from the
block and the water pipe connection. Remove the O-ring from the water pipe
connection.
To install:
- Check the water pump for cracks, damage or wear. Check the bearing for damage,
abnormal noise and sluggish rotation. Check the seal unit for leaks. Replace
the water pump assembly if any of these symptoms is present.
- Clean and dry the mating surfaces of the block and water pump. Install a
new O-ring to the water pipe connection. Coat the new O-ring with water to
aid in installation.
- Install the water pump with a new gasket to the block and tighten the bolts
to 10 ft. lbs. (13 Nm). Tighten the alternator bracket bolt to 17 ft. lbs.
(23 Nm).
- Install the timing belt onto the crankshaft sprocket, the oil pump sprocket
and the camshaft sprocket in that order. Make certain there is no slack between
the crankshaft sprocket and the oil pump or between the oil pump sprocket
and the camshaft sprocket.
- Loosen the tensioner mounting bolts. Allow the tensioner to move against
the belt under its spring tension; do not force or push on the tensioner.
- Turn the crankshaft in its normal clockwise direction until the camshaft
pulley has moved 2 teeth from the timing mark.
WARNING
This rotation is to create the correct tension on the belt. Do not rotate
the engine counterclockwise and do not press on the belt.
- Carefully observe the belt and the way it fits on each sprocket. It may
have lifted from the camshaft sprocket, particularly in the "10 o'clock''
position. If this is the case, GENTLY push on the tensioner with your fingers
(counterclockwise or downward) to take up the slack. Do not push on the tensioner
any more than needed to seat the belt on the sprocket.
- Tighten the lower bolt on the tensioner first, then the pivot or upper bolt.
The order is important; if done incorrectly, the belt will not be under the
correct tension.
- Check to see that the clearance between the outside of the belt and the
cover are within the standard value by grasping the tension side (between
the camshaft sprocket and oil pump sprocket) of the center part of the timing
belt between the thumb and index finger.
- Install the crankshaft pulley(s).
- Connect the radiator hose to the water pump.
- Install the water pump pulley. Install the cooling fan and clutch assembly.
- Install the air conditioning compressor tensioner pulley, if equipped.
- Install and adjust the accessory belts.
- Install the upper radiator shroud.
- Fill the radiator with coolant. This cooling system has a self-bleeding
thermostat, so system bleeding is not required.
- Connect the negative battery cable, run the vehicle until the thermostat
opens and fill the overflow tank. Check for leaks.
- Once the vehicle has cooled, recheck the coolant level.
- Disconnect and remove the battery.
| Fig. 3: Water pump assembly — 2.6L
Engines
|
- Drain the cooling system.
- Remove the lower radiator hose from the water pump.
- Remove the upper fan shroud. Carefully unbolt and remove the fan with the
clutch assembly and store the fan in an upright position.
- Loosen the adjuster and remove the air conditioning compressor drive belt.
Loosen the alternator and power steering pump and remove their drive belts.
- Remove the water pump pulley from the studs.
- Disconnect the heater hose from the water pump.
- Remove the mounting bolts holding the pump to the engine. Note that the
bolts are of different lengths; label or diagram them as they are removed.
- Remove the water pump and gasket. Clean the mating surfaces thoroughly and
remove all traces of the old gasket.
- Check the pump thoroughly for damage or cracks. Turn the shaft, checking
for binding or noise. If the pump was leaking coolant through the vent hole,
the internal seal has failed and the pump must be replaced.
NOTE: Do not confuse light moisture accumulation with outright
leakage. The vent hole area may be moist in normal operation.
- If the fan was removed, inspect the fan blades for cracking or bending.
Check the area of each bolt hole for cracks.
To install:
- Install a new gasket to the engine, making sure all the bolt holes are aligned.
Install the water pump and tighten the bolts finger-tight. Don't forget to
install the alternator bracket. When all the bolts are snug, tighten them
to about 11 ft. lbs. (21 Nm) in steps.
- Connect the heater hose to the water pump.
- Install the water pump pulley.
- Install the drive belts beginning with the power steering belt, then the
alternator belt and the A/C compressor belt. Seat the belts on all the pulleys
but do not tighten them yet.
- Install the fan and clutch assembly. Install the upper fan shroud.
WARNING
The shroud retaining bolts must not exceed 0.63 in. (16mm) in length. Longer
bolts will interfere with the radiator and cause leaks.
- Adjust the drive belts to the proper tension and tighten the adjusting fittings
for each component.
- Install the lower radiator hose.
- Install the battery.
- Double check the draincock, closing it if necessary, and refill the cooling
system.
- Start the engine and check carefully for leaks. Allow the engine to warm
up with the radiator cap removed. After the thermostat opens, adjust the coolant
level to the bottom of the radiator neck and install the radiator cap.
NOTE: Develop a system of identifying bolts by location and
component so that reassembly is made easier. Damage can be caused by forcing
a long bolt into a shorter passage.The use of the correct special tools or their
equivalent is most important for this procedure. The crankshaft sprocket must
be removed and installed with the use of tools MB 990767–01 and MB 998715
or their equivalents. Attempts to use other tools or methods may cause damage
to the sprocket and/or crankshaft.
- Release fuel pressure in the system by disconnecting the fuel pump wiring
harness. The fuel pump is located back by the fuel tank. Start the engine
and let the vehicle idle until it stalls on its own. Shut the engine OFF.
- Disconnect the negative battery cable.
- Drain the cooling system. Remove the thermostat and housing/case assembly,
upper radiator hose, bypass hose and the radiator shroud.
- Remove the cooling fan clutch assembly.
- Remove the drive belts from the A/C compressor, the power steering pump
and the alternator.
- Remove the cooling fan pulley.
- Remove the power steering pump, power steering pump bracket and mounting
bracket. When the power steering pump is removed from the bracket, hold it
toward the body using wire or similar materials. Move the pump with the pressure
hose and return hose still attached.
- Remove the tension pulley bracket.
- Disconnect the air conditioning compressor and remove the compressor bracket.
Hold the air conditioning compressor toward the body using wire or similar
materials. Move the compressor with the high pressure hose and low pressure
hose still attached.
- Remove the cooling fan bracket assembly.
- Remove the timing belt covers. If the same timing belt will be reused, mark
the direction of the timing belt's rotation, for installation in the same
direction. Make sure the engine is positioned so the No. 1 cylinder is at
the TDC of its compression stroke and the sprockets timing marks are aligned
with the engine's timing mark indicators.
- Loosen the timing belt tensioner bolt and remove the belt. Position the
tensioner as far away from the center of the engine as possible and tighten
the bolt.
- Remove the water pump mounting bolts, separate the pump from the water inlet
pipe and remove the pump from the engine. Remove the water inlet fitting from
the pump.
| Fig. 4: Water pump assembly — 3.0L
engine
|
To install:
- Check the pump thoroughly for damage or cracks. Turn the shaft, checking
for binding or noise. If the pump was leaking coolant through the vent hole,
the internal seal has failed and the pump must be replaced.
- Clean and dry the mating surfaces of the block and water pump. Install a
new O-ring to the water inlet pipe.
- Install the pump and water inlet fitting, with new gaskets, to the engine
and water pipe. Tighten the water pump mounting bolts evenly to 20 ft. lbs.
(27 Nm).
- Align all timing marks. Install the timing belt — refer
to the necessary service procedures located in this section.
- Install the timing belt covers.
- Install the crankshaft pulley and flange.
- Install the air conditioning compressor and its bracket.
- Install the power steering pump bracket and the pump.
- Install the water pump pulley. Install the cooling fan and clutch assembly.
- Install the drive belts, adjust as necessary.
- Install thermostat and housing assembly/case. Connect the upper radiator
hose, bypass hose and the upper radiator shroud.
- Fill the cooling system.
- Connect the negative battery cable, run the vehicle until the thermostat
opens and fill the overflow tank. Check for leaks.
- Once the vehicle has cooled, recheck the coolant level.
For this procedure, you will need a water pump O-ring, a water pump/engine
block gasket, a water pump/water pump fitting gasket, a water pump fitting/thermostat
case gasket, a water outlet fitting/thermostat case gasket, a water outlet fitting
O-ring, and any disposable parts needed for a timing belt removal. Refer to
the timing belt procedure in this section.
NOTE: Develop a system of identifying bolts by location and
component so that reassembly is made easier. Damage can be caused by forcing
a long bolt into a shorter passage.The use of the correct special tools or their
equivalent is most important for this procedure. The crankshaft sprocket must
be removed and installed with the use of tools MB 990767–01 and MB 998715
or their equivalents. Attempts to use other tools or methods may cause damage
to the sprocket and/or crankshaft.
- Release fuel pressure in the system by disconnecting the fuel pump wiring
harness. The fuel pump is located back by the fuel tank. Start the engine
and let the vehicle idle until it stalls on its own. Shut the engine OFF.
- Disconnect the negative battery cable.
- Drain the cooling system.
- Remove the radiator, the upper radiator hose and the cooling fan shroud.
Refer to the previously described procedure in this section.
- Remove the alternator, refer to the previously described procedure in this
section.
- Remove the battery and battery tray.
- Remove the under skid plate and the undercover.
- Remove the cooling fan clutch assembly and the water pump pulley.
| Fig. 5: Water pump assembly — 3.5L
engine
|
- Remove the air conditioning compressor and compressor bracket. Remove the
air conditioning compressor with the hoses attached. Suspend the removed air
conditioning compressor, by using wire or similar material, at a place where
no damage will occur to it.
- Remove the power steering pump, the power steering pump cover and the accessory
mount stay. As with the A/C compressor, move the power steering pump with
the hoses still attached and secure it to the body with either strong wire
or strong cord.
- Remove the accessory mount from the front of the engine.
- Remove the timing belt upper cover.
- Unplug the crankshaft position sensor connector.
- Remove the crankshaft pulley from the crankshaft. Use only the specified
tools (MD 998754 and MB990767–01), or a damaged pulley damper could
result.
- Remove the timing belt lower cover.
- Remove the timing belt.
- Align the timing marks on the pulleys with the marks on the engine heads.
- Loosen the center bolt on the tensioner pulley to remove the timing
belt. Make a mark on the back of the timing belt indicating the direction
of rotation so it may be reassembled in the same direction if it is to
be reused.
CAUTION
The cam of the left bank camshaft lifts the valve by means of the rocker
arm, the spring force of the valve will easily turn the sprocket, so
be careful not to insert your fingers, etc.
- Remove the auto tensioner, the tension pulley and the tension arm assembly.
- Remove the water outlet fitting, by removing the bracket over it first.
Discard the old O-ring and gasket, these will need to be replaced for installation.
- Unbolt the thermostat case from the water pump fitting. A new gasket for
this juncture will also be needed before reassembly.
- Remove the water pump fitting from the water pump. Remove the water pump
itself.
To Install:
- Check the pump thoroughly for damage or cracks. Turn the shaft, checking
for binding or noise. If the pump was leaking coolant through the vent hole,
the internal seal has failed and the pump must be replaced.
- Clean and dry the mating surfaces of the block and water pump. Install a
new O-ring to the water inlet pipe. Do not apply oil and grease to water pipe
O-rings. Keep the water pipe connections free of sand, dust, etc. Insert the
water pipe until its end bottoms.
- Install the water pump and tighten its bolts to 17 ft. lbs. (24 Nm) in two
or three gradual steps. Use a circular motion. Make sure that the O-ring seated
properly when the water pipe fit into it.
- When reinstalling the water pump components to the water pump using new
gaskets. Make sure all of the gasket surfaces are clean and free of all gasket
material.
- Install the water pump fitting onto the water pump, the thermostat case
to the water pump fitting, and the water outlet fitting onto the thermostat
case. Lastly, install the cover over the water outlet fitting. Replace the
O-ring with the new one and make sure it seats properly when the hose is installed.
Do not apply oil and grease to the water pipe O-ring. Keep the water pipe
connections free of sand, dust and other contaminants. Insert water pipe until
its end bottoms out.
- Reinstall the timing belt, refer to the timing belt procedure described
later in this section.
- Reinstall the lower timing belt cover.
- Using the special tools (MD998754 and MD990767–01), attach the crankshaft
pulley to the crankshaft. Use only the specified special tools, otherwise
a damaged pulley damper could result.
- Plug the crankshaft position sensor connector into the timing belt upper
cover and reinstall the upper cover into place.
- Reinstall the accessory mount and accessory mount stay.
- Reposition and install the power steering pump.
- Reinstall the A/C compressor, the water pump pulley and the cooling fan
clutch assembly.
- Install the under skid plate and the undercovers.
- Install the battery tray and battery.
- Install the alternator assembly.
- Install the radiator assembly.
- Install the drive belts, adjust as necessary.
- Fill the cooling system.
- Plug the fuel pump harness back in.
- Connect the negative battery cable, run the vehicle until the thermostat
opens and fill the overflow tank. Check for leaks.
- Once the vehicle has cooled, recheck the coolant level.
