Previous Next

OPERATION

The heart of this system is a charcoal canister located in the engine compartment. Fuel vapor that collects in the carburetor float bowl and/or gas tank is stored in the canister instead of being released into the atmosphere.

Fig. 1: The purge control system components — 2.0L and 2.6L engines

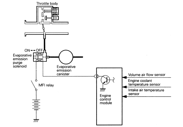
Fig. 2: The purge control system components — 2.4L, 3.0L and 3.5L engines

In order to restore the ability of the charcoal to hold fuel, fresh air is drawn through the canister under certain operating conditions, drawing the fuel vapors back out and introducing them into the combustion chambers.

At idle speed, or when the engine is cold, the addition of any fuel vapor to the correct mixture would cause excessive tailpipe emissions. For this reason, a port in the carburetor or fuel injection system throttle body allows the fuel vapors to be drawn out of the canister only after the throttle has been opened past the normal idle position. If there is no vacuum, the canister purge valve remains closed.

Fig. 3: The evaporative emission purge solenoid is located on the left-hand side of the engine compartment next to the radiator overflow reservoir — 2.4L, 3.0L and 3.5L engines

Fig. 4: The evaporative emission canister is affixed to the left-hand inner fenderwell, next to the radiator overflow reservoir

The flow of air and fuel are further restricted by a thermal valve when the engine is cold. This valve prevents the vacuum signal from going to the canister purge valve until the engine reaches a pre-determined temperature.

When the canister purge valve opens, air is drawn under slight vacuum from the air intake. If the engine exhibits operating problems during warm-up and basic fuel system and engine tune-up adjustments are correct, check the thermo valve for proper operation.

Previous Next