Previous Next

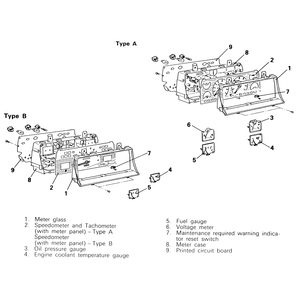
Printed Circuit Board

REMOVAL & INSTALLATION

The printed circuit board is located on the back side of the combination meter/instrument cluster. The printed circuit board applies the electrical currents to the various gauges and lights in the combination meter.

The printed circuit board is held onto the back of the combination meter by screws. To remove the printed circuit board, remove the combination meter (see the previous instructions for the combination meter removal and installation). Unplug the various light bulbs and sockets from the back of the circuit board and meter case. The light bulb sockets twist and pull out. Then remove the circuit board retaining screws and remove it from the meter case.

To install the printed circuit board, mount it to the meter case with the retaining screws. Plug the bulb sockets back into the circuit board and install the combination meter into the instrument panel (dashboard).

Fig. 1: On most models, the printed circuit board can be unscrewed from the back of the meter case

Previous Next