Previous Next

Windshield Wiper Motor and Linkage

REMOVAL & INSTALLATION

1983–86 Vehicles
  1. Remove the wiper arms. Remove the lock nut from the shaft and push the shaft into the cowl.
  2. Remove the cover from the access hole on the right side of the front deck.
  3. Remove the bolts that hold the motor bracket to the body.
  4. Pull the wiper motor towards you.
  5. Matchmark the motor and linkage arm.
  6. Disconnect the wiper motor and linkage so that the motor shaft and linkage are at right angles. Hold the linkage with your right hand when disconnecting.
  7. The linkage maybe removed through the access hole as necessary.
  8. Reinstall and position the matchmarks correctly. (If not done, the wipers will not park correctly.)
  9. Connect the linkage to the motor and install the motor. Install the motor bracket bolts.
  10. Lift the linkage so the shafts project through the holes and install their locknuts.
  11. Install the access hole cover. Install the wiper arms.

    Fig. 1: After removing the wiper motor from the firewall, disconnect the wiper linkage — 1983–86 Monteros and Pick-ups

1987–95 Vehicles
  1. Remove the wiper arms.
  2. Carefully remove the left and right, or single, cowl panel(s). Use a flat, padded tool to pry the clips loose.
  3. Remove the wiper motor mounting bolts and pull the motor away from the firewall. Use a flat tool to disconnect the motor from the linkage.
  4. Disconnect the wiring going to the motor. Remove the motor.
  5. If the linkage is to be removed, remove the shaft plate mounting nuts or bolts and remove the linkage through the motor opening.

    NOTE: Because the installation angle of the crank arm and the motor has been set, do not remove them unless it is necessary to do so. If they must be removed, remove them only after marking their mounting positions.

    Fig. 2: Windshield wiper and washer system removal and installation components — 1987–95 Pick-ups

    Fig. 3: Reach through the front deck with a prytool to disconnect the wiper linkage from the motor — 1987–95 Pick-ups

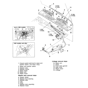
    Fig. 4: Windshield wiper and washer system components and their locations — 1987–91 Monteros

    Fig. 5: Windshield wiper and washer system components and their locations — 1992–95 Monteros

  6. When reinstalling the linkage, the mount nuts should be tightened to 3 ft. lbs. (5 Nm).
  7. Connect the motor to the linkage and install the motor mount bolts.
  8. Connect the wiring to the wiper motor.
  9. install the left and right cowl panels, if they were removed.
  10. Install the wiper arms.

    Fig. 6: Install the wiper blades so that the stop position is the same as shown here — 1987–91 Monteros

    Fig. 7: The movements of the left and right wiper arms are different, so check the identification marks and install the wiper blades the correct distance from the trim: A=0.98–1.38 in. (25–35mm), B=1.38–1.77 in. (35–45mm) — 1992–95 Monteros

Previous Next