Previous Next

Load Sensing Proportioning Valve

REMOVAL & INSTALLATION

1983–95 Pick-ups and 1992–95 Monteros

Since the possible loading of a Pick-up can vary greatly, the braking requirements will differ based on the weight being carried. The load sensing proportioning valve is located in the brake system for the rear wheels. It functions to control the brake fluid pressure from the master cylinder in response to the vehicle load and prevents early locking of the rear wheels. This provides directional stability under hard braking. Should the hydraulic system to the front brakes fail, the pressure control for the rear brakes is cancelled and sufficient braking force is provided.

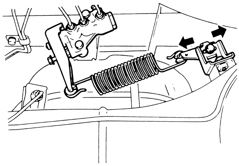
The valve body is mounted on the frame at the rear. The lever arm is connected to the axle by a spring. As the load increases, the frame is lowered (the axle remains at a fixed height) and the arm moves out, allowing increased brake fluid pressure. The length of the spring is the main factor in controlling valve function.

To measure this spring, the vehicle must be unladen and sitting on its wheels on level ground. Do not support any part of the vehicle. Make sure that the lever is not in contact with the stopper bolt and push the lever toward the valve. Measure the distance from the spring hole in the lever arm to the spring hole in the spring support.

NOTE: Although the spring runs on an angle, do not measure along the spring. Measure the shortest distance — a line parallel to the ground.

The correct distance should be as follows:

If the measurement is incorrect, loosen the bolt attaching the support and slide it in the necessary direction to lengthen or shorten the distance and secure the bolt.

Fig. 1: To adjust the load sensing proportioning valve, slide the bracket back and forth until the standard measurement is reached

If it is necessary to replace the load sensing proportioning valve:

  1. Disconnect the spring.
  2. Label and disconnect each brake line running to the valve.
  3. Remove the mounting bolts holding the valve and remove the valve.
  4. Install the new valve and tighten the mounting bolts.
  5. Connect each brake line to the correct port and tighten the fitting to 12 ft. lbs. (17 Nm).
  6. Install the spring.
  7. Measure the effective distance as outlined above.
  8. Bleed the brake system.

Previous Next