|
|
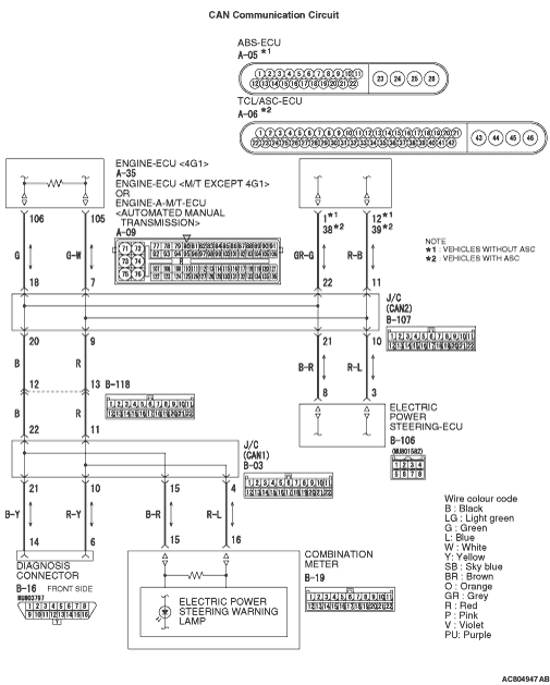
When the electric power steering-ECU is bus off, it is memorised.
|
|
|
Harness wire(s), connector(s) or the electric power steering-ECU may be defective.
|
|
|
- Defective wire(s) or connector(s) in the CAN bus lines
- Malfunction of the electric power steering-ECU
|

|
| caution |
Before connecting or disconnecting the M.U.T.-III, turn the ignition switch to the "LOCK"
(OFF) position.
|
(1)Connect M.U.T.-III to the 16-pin diagnosis connector. (2)Turn the ignition switch to the "ON" position. (3)Diagnose the CAN bus line. (4)Turn the ignition switch to the "LOCK" (OFF) position.
Q.
Is the check result normal?
The malfunction is intermittent. Refer to GROUP 00 - How to Use Troubleshooting/Inspection
Service Points - How to Cope with Intermittent Malfunction .
Repair the CAN bus line (Refer to GROUP 54C - CAN bus line Diagnostic
flow ).
|