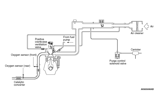
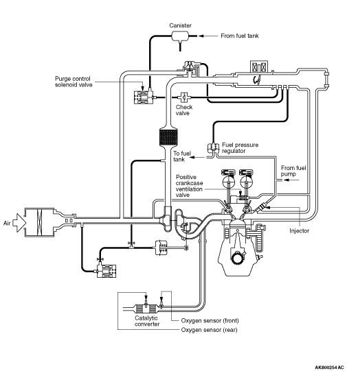
VACUUM HOSE PIPING DIAGRAM


<4A91-M/T>

<4A91-A/T>

<4B10>

<4B11-Turbo>