The ABS (with EBD) that ensures directional stability and controllability during hard
braking has been equipped as a standard. This ABS uses a 4-sensor system that controls all four wheels independently of each other,
and has the following features:
EBD *1 (Electronic Brake-force Distribution system)
control that can obtain ideal rear wheel brake force has been employed.
The magnetic encoder for detecting the wheel speed has been installed instead of
the rotor as the wheel speed sensor.
For wiring harness saving and secure data communication, CAN *2 bus
has been adopted as a tool of communication with other ECUs.
The ESS*3 (Emergency stop signal system), which makes the hazard
warning lamps flash quickly when the brake is applied suddenly, has been adopted.
note
*1: EBD (Electronic Brake-force Distribution)
*2: For more details about CAN (Controller Area Network), refer
to GROUP 54C - General Information .
*3: ESS, refer to .
ELECTRONIC BRAKE-FORCE DISTRIBUTION (EBD)
An electronic brake-force distribution (EBD) which makes it possible to maintain the maximum
amount of braking force even when the vehicle’s load is varied has been adopted.
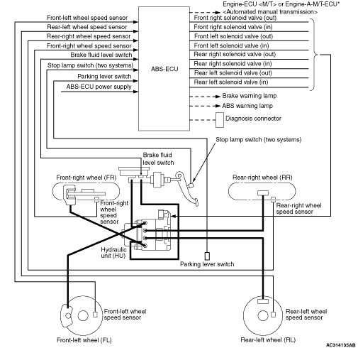
SYSTEM CONFIGURATION
note
Dashed lines indicate the CAN bus communication lines.
*: Engine Automated Manual Transmission Electronic Control Unit
TCL (TRACTION CONTROL SYSTEM)/ASC (ACTIVE STABILITY CONTROL SYSTEM)
Traction control system (TCL)/Active stability control system (ASC) has been installed.
When TCL detects the slip of the driving wheel (ex. during startup on low µ road),
it automatically applies the brakes to the slipping driving wheel. At the same time, TCL reduces
the engine output and prevents the wheel spin when it determines that the engine torque is too
high for the road surface µ.
When the ASC determines that the vehicle is in a dangerous condition, it reduces
the engine output and applies brake force to four wheels independently to control the vehicle
behaviour, avoiding the critical state.
note
By the integrated control with the anti-lock brake system (ABS), the system stabilises
the vehicle attitude and at the same time secures the driving force.
SYSTEM CONFIGURATION
note
Dashed lines indicate the CAN bus communication lines.
*: Engine Automated Manual Transmission Electronic Control Unit
PASSENGER’S AIR BAG CUT OFF SWITCH
The air bag cancel switch has been equipped in the glove box. Deployment of the passenger
air bag can be forcibly disabled by inserting the ignition key in this switch and turn it to
the OFF position. Also the indicator lamp in the combination meter illuminates.