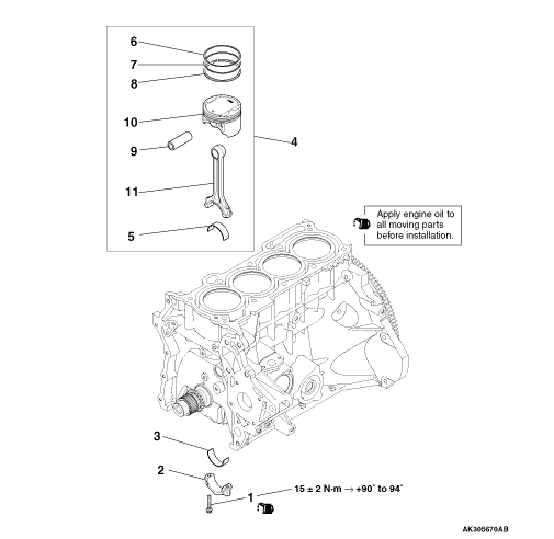
REMOVAL AND INSTALLATION







Removal steps

>>G<<
1.
Connecting rod cap bolt
<<A>>
>>F<<
2.
Connecting rod cap

>>E<<
3.
Connecting rod bearing

>>D<<
4.
Piston, connecting rod assembly

>>E<<
5.
Connecting rod bearing

>>C<<
6.
Piston ring, No. 1

>>C<<
7.
Piston ring, No. 2

>>B<<
8.
Oil ring
<<B>>
>>A<<
9.
Piston pin


10.
Piston


11.
Connecting rod

REMOVAL SERVICE POINTS



<<A>> CONNECTING ROD CAP REMOVAL



To facilitate reassembly, mark the side face of the connecting rod big end with the corresponding cylinder number.

<<B>> PISTON PIN REMOVAL



The special tool Piston pin setting tool (MD998780) consists of the parts illustrated. The special tool Guide D (MB991659) is also used for removal.

1.Insert the Push rod (special tool) into the piston, from the piston side with the front mark on the piston top face. Install the Guide D on the other side.
2.Install the piston and connecting rod assembly with the tools onto the Piston pin setting base (special tool), ensuing that the piston front mark faces upwards.
3.Using a press, remove the piston pin.
note With the piston pin removed, keep the pin, piston and connecting rod of the same cylinder together.

INSTALLATION SERVICE POINTS



>>A<< PISTON PIN INSTALLATION


1.Insert the special tool Push rod into the piston pin, and install Guide A.

2.Assemble the piston and the connecting rod together, ensuring that their front marks are aligned with each other.
3.Apply engine oil onto the periphery of the piston pin.
4.Insert the piston pin assembled in step 1 above into the piston pin boss. Guide A end of the piston pin should be inserted first into the front mark end of the boss.

5.Insert Guide B into Guide A with having 2.25 mm of the clearance "L" between Guide A and B.

6.Install the piston and connecting rod assembly with the tools onto the Piston setting base (special tool), ensuring that the piston front mark faces upwards.
7.Using a press, press fit the piston pin. If the force required to press fit the piston pin is less than the standard value, replace the piston pin (piston assembly) or the connecting rod, or both.
Standard value: 5,000 - 11,000 N

>>B<< OIL RING INSTALLATION


1.Install the oil ring spacer first into the piston ring groove,
followed by the upper side rail and then the lower side rail.
note New spacers and side rails are an identified by color marks as follows:
Size
Color mark
Standard
Non mark
0.25 mm oversize
Two blue

2.
caution Do not use a ring expander on side rails as they may break when the gap is opened.
Side rails can be installed easily by first inserting one end of the rail into the piston groove, then pressing the rail into place with finger.
3.With the side rails installed onto the piston, check that they can be rotated smoothly in both directions.

4.The gaps of the side rails and spacer should be located as illustrated.

>>C<< PISTON RING NO. 2 / PISTON RING NO. 1 INSTALLATION



Use a piston ring expander to install the No. 1 and No. 2 piston rings. The ring identification mark should face upwards.

Identification mark
    No. 1 ring: R
    No. 2 ring: 2R
note Each of the available piston rings has a size mark as follows:
Size
Size mark
Standard
No. 1 ring
No mark
No. 2 ring
No mark
(White paint on periphery)
0.25 mm oversize
25

>>D<< PISTON, CONNECTING ROD ASSEMBLY INSTALLATION


1.Apply engine oil sufficiently onto the piston periphery, the piston rings and the oil ring.

2.Align the gaps of the piston rings and the oil ring (side rails, spacer) as illustrated.
3.Insert the piston and connecting rod assembly from above the cylinder block and through the cylinder bore, ensuring that the front mark on the piston top faces the camshaft sprocket.

4.
caution Do not try to strike hard on the assembly to fit it in place as this will break the piston rings.
While firmly holding the piston rings with a ring band, insert the piston and connecting rod assembly into place.

>>E<< CONNECTING ROD BEARING INSTALLATION



1.Connecting rod bearings are color coded with paint at the illustrated locations. Bearings should be selected based on the following table.
Connecting rod bearing
Upper bearing
Lower bearing
Blue
Red
Red
Blue
Yellow
Yellow
Example: If a blue upper bearing is selected, the lower bearing must be red.
2.Install the bearings selected onto the connecting rod big end and the bearing cap.

3.Measure the illustrated location. The error should be within 0.5 mm.

>>F<< CONNECTING ROD CAP INSTALLATION


note The connecting rod resulting from the breaking process has the high insertion force. The new connecting rod assembly may possibly be difficult to remove the connecting rod.
If difficult to remove it, alternately strike the two bolt heads with a plastic hammer while the connecting rod bolt is slightly loosened, or strike the center of the cap shaft’s inside diameter slightly and outward.
If the outside of the cap is directly struck, the lateral force is added to the broken-out section. Thus, pay attention to the broken-out section that might be difficult to be separated or might fall.
Clean the broken-out section before the installation to the engine, using compression air.

1.Install the correct bearing cap onto the corresponding connecting rod, based on the marking placed during disassembly.

2.Ensure that the thrust clearance of the connecting rod big end is to specification.
Standard value: 0.10 - 0.35 mm
Limit: 0.4 mm

>>G<< CONNECTING ROD CAP BOLT INSTALLATION



1.Inspect all reused connecting rod bolts according to the following procedure.
(1) Measure the outside diameter at 15 mm and 30 mm from the head of the connecting rod bolts shown in Figure respectively.
(2) When the difference between the outside diameters (measured at 15 mm and 30 mm) exceeds the standard value, replace the connecting rod bolts.
Standard value: 0 - 0.1 mm
2.Apply engine oil to the threaded portion and seating face of the bolt.
3.To correctly install the cap, loosely install the bolts with fingers.
4.Alternately, tighten the bolts in several steps to the specified torque of 15 ± 2 N·m.

5.Put a paint mark on the bolt head as illustrated.
6.Put another paint mark on the bolt head at 90 to 94 degree angle in the tightening direction from the first paint mark.
7.
caution
  • If the bolt is tightened less than the specified lower limit of 90 degree angle, the bolt may become loose. Be sure to tighten correctly.

  • If the bolt is tightened in excess of the specified upper limit of 94 degree angle, loosen the bolt completely and repeat the entire procedures.
Tighten the bolt 90 to 94 degree angle. The paint mark on the connecting rod should be aligned with the paint mark on the bolt.